EasyManua.ls Logo

Panasonic CS-C18HKD - Cs-C24 Hkd Cu-C24 Hkd

Panasonic CS-C18HKD
62 pages
Print Icon
To Next Page IconTo Next Page
To Next Page IconTo Next Page
To Previous Page IconTo Previous Page
To Previous Page IconTo Previous Page
Loading...
15
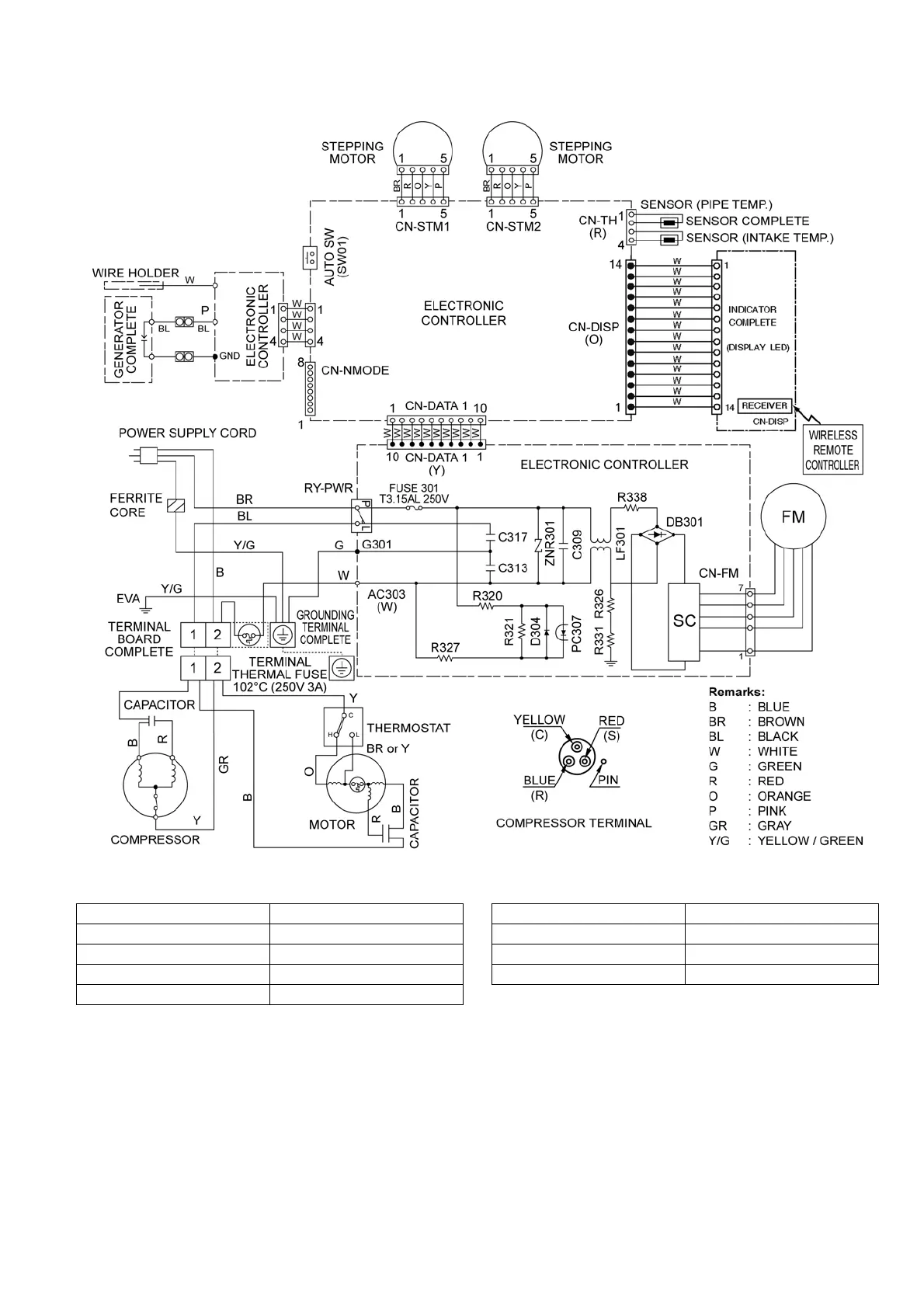
8.2. CS-C24HKD CU-C24HKD
Resistance of Outdoor Fan Motor Windings
Note: Resistance at 20qC of ambient temperature.
Resistance of Compressor Windings
Note: Resistance at 20qC of ambient temperature.
MODEL CU-C24HKD
CONNECTION CWA951352J
BLUE-YELLOW 99.6 :
YELLOW-RED 126.8 :
YELLOW-ORANGE 158.7 :
MODEL CU-C24HKD
CONNECTION 2JS438D3GA02
C - R 0.830 :
C - S 2.257 :

Table of Contents