EasyManua.ls Logo

Panasonic CS-E12JKKW-1 - Page 27

Panasonic CS-E12JKKW-1
116 pages
Print Icon
To Next Page IconTo Next Page
To Next Page IconTo Next Page
To Previous Page IconTo Previous Page
To Previous Page IconTo Previous Page
Loading...
27
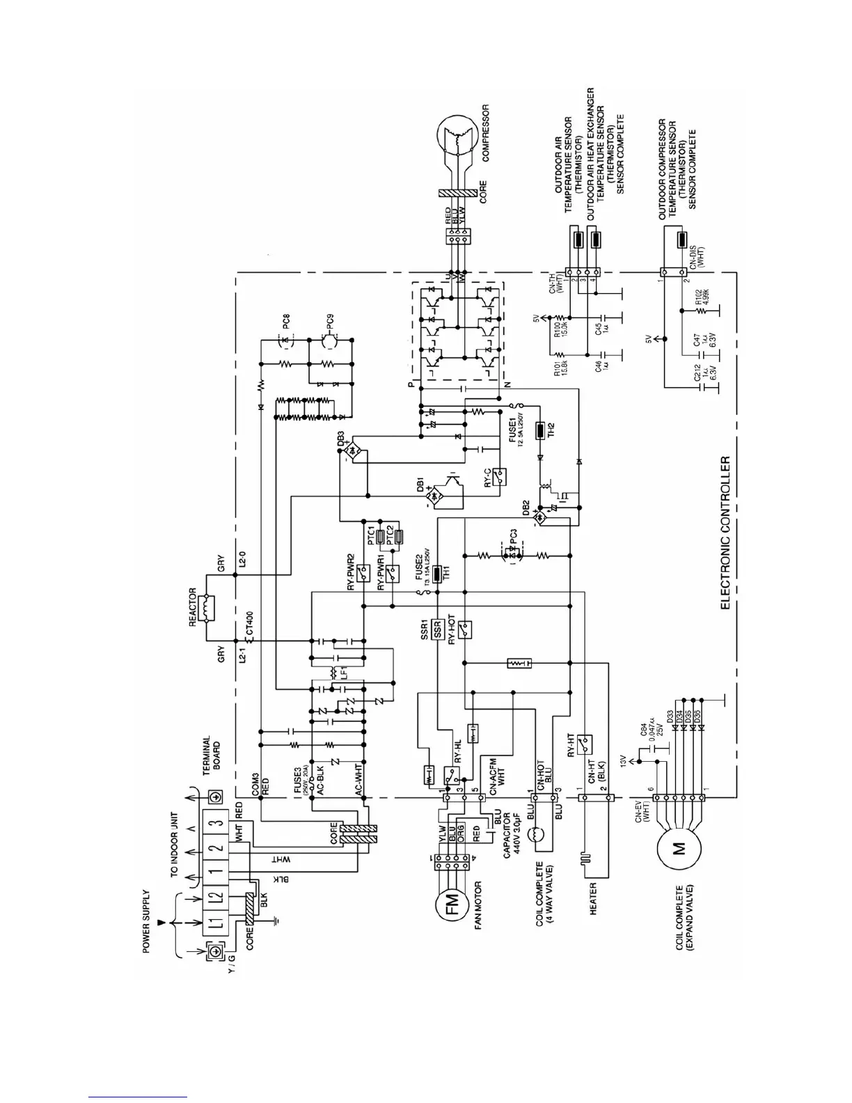
9.2.2 CU-E18JKK-1

Table of Contents

Related product manuals