EasyManua.ls Logo

Panasonic CS-E15DTEW - Page 81

Panasonic CS-E15DTEW
90 pages
Print Icon
To Next Page IconTo Next Page
To Next Page IconTo Next Page
To Previous Page IconTo Previous Page
To Previous Page IconTo Previous Page
Loading...
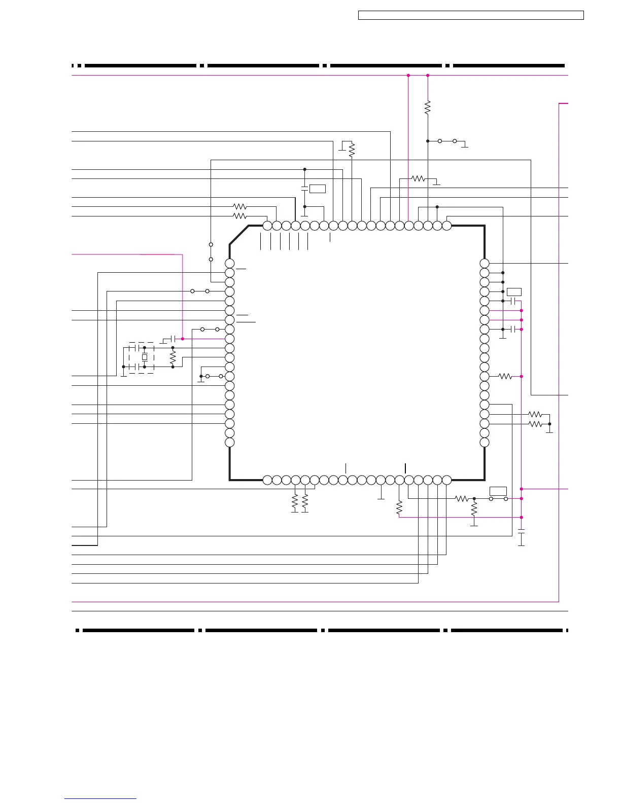
IC01
UPD784956GC
1
2
3
4
5
6
7
8
9
21 22 23 24 25 26 27 28 29
52
53
54
55
56
57
58
59
60
727374757677787980
10
51
30
71
11
50
31
70
12
49
13
48
32
69
33
68
14
47
15
46
16
45
34
67
35
66
36
65
17
44
18
43
19
42
20
41
37
64
38
63
39
62
40
61
P16
T06
RXD
TXD
S1
S0
SCK
RESET
Vdd
X2
X1
Vss
IC(VPP)
P90
P91
P92
P93
P94
P95
P40
AN14
AN13
AN12
AN11
AN10
ADVV
Vdd
Vss
P37
P36
P35
P34
P33
P32
T01
T00
P67
P66
P65
P64
RTP07
RTP06
RTP05
RTP04
RTP03
RTP02
Vss
P07
INTP5
INTP4
INTP3
INTP2
INTP1
INTP0
NMI
AVREF
AVSS
AN17
AN16
AN15
P41
P42
P43
P44
P45
P46
P47
P50
P51
P52
P53
P54
Vss
P55
P56
P57
P60
P61
P62
P63
R17 620
R18 430
C30
R46
10k
R59
10k
R39
10k
C22
1µ
C23
1µ
C21
X01
R30
150k
JP4
JP3
JP1
JP2
R09
10k
R10
10k
R20
10k
R19
10k
R40
10k
JX1
R27
1k
C10
0.1µ
R23
10k
R26
10k
JX2
SCHEMATIC DIAGRAM 2/3
81
CS-E15DTEW CU-E15DBE / CS-E18DTEW CU-E18DBE / CS-E21DTES CU-E21DBE

Table of Contents