EasyManua.ls Logo

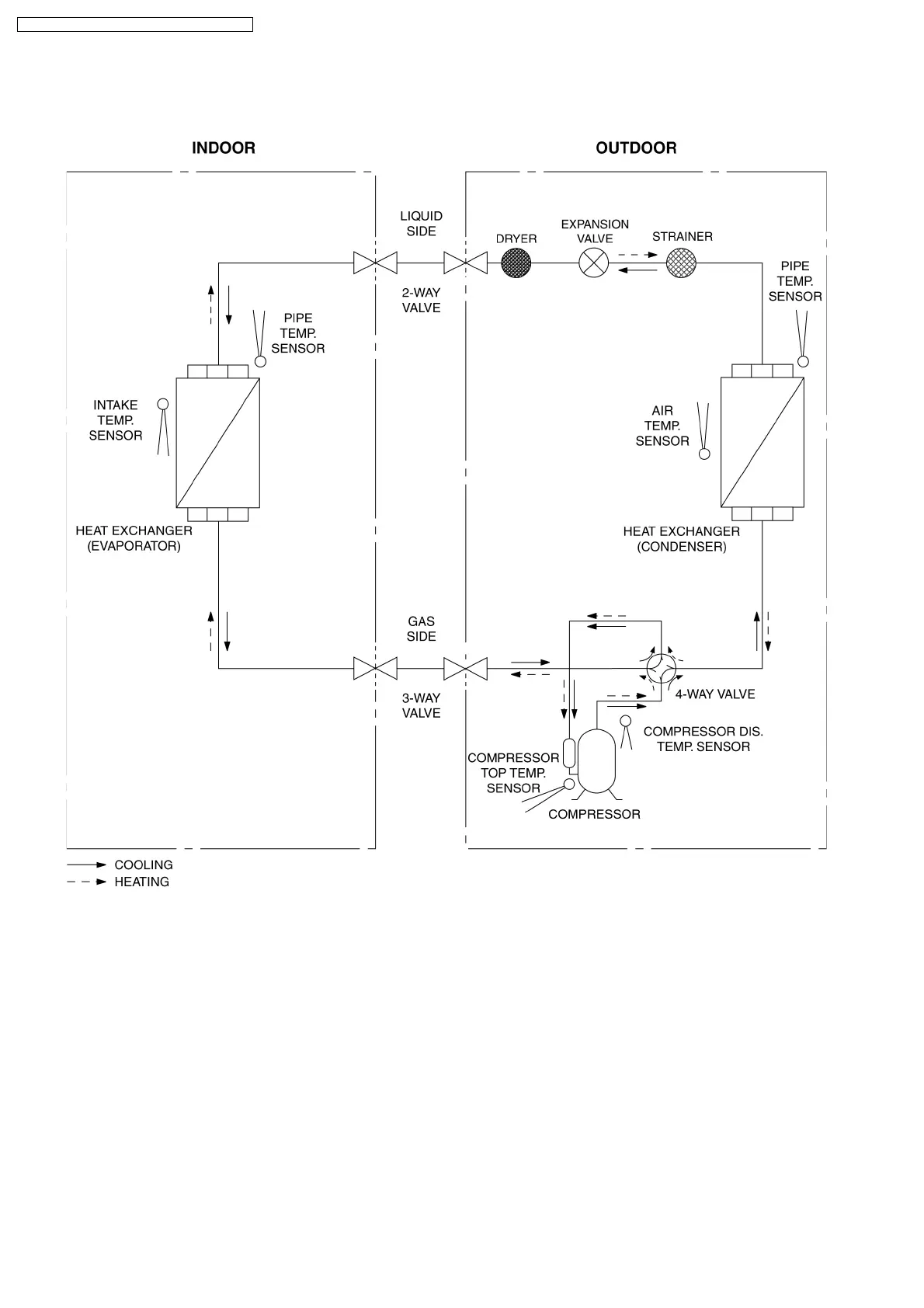
Panasonic CS-E21EKK - Refrigeration Cycle Diagram

Panasonic CS-E21EKK
64 pages
Print Icon
To Next Page IconTo Next Page
To Next Page IconTo Next Page
To Previous Page IconTo Previous Page
To Previous Page IconTo Previous Page
Loading...
5 Refrigeration Cycle Diagram
12
CS-E18EKK CU-E18EKK / CS-E21EKK CU-E21EKK

Related product manuals