EasyManua.ls Logo

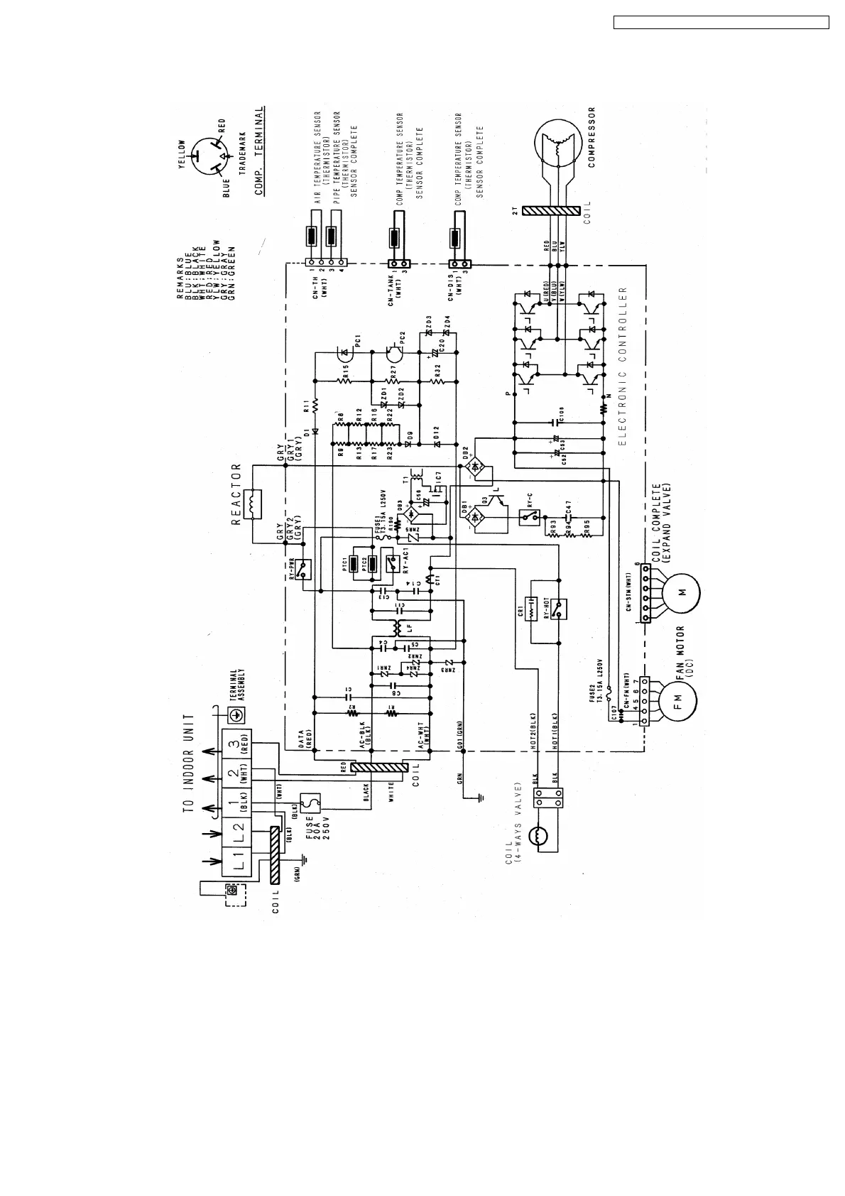
Panasonic CS-E21EKK - 7.2. CU-E18 EKK CU-E21 EKK Wiring

Panasonic CS-E21EKK
64 pages
Print Icon
To Next Page IconTo Next Page
To Next Page IconTo Next Page
To Previous Page IconTo Previous Page
To Previous Page IconTo Previous Page
Loading...
7.2. CU-E18EKK CU-E21EKK
15
CS-E18EKK CU-E18EKK / CS-E21EKK CU-E21EKK

Related product manuals