EasyManua.ls Logo

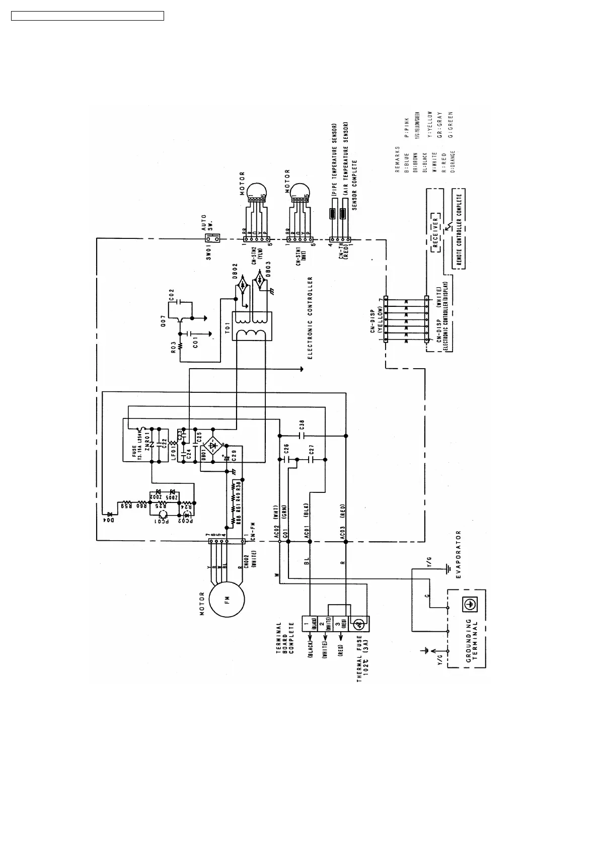
Panasonic CS-E21EKK - Wiring Diagrams; 7.1. CS-E18 EKK CS-E21 EKK Wiring

Panasonic CS-E21EKK
64 pages
Print Icon
To Next Page IconTo Next Page
To Next Page IconTo Next Page
To Previous Page IconTo Previous Page
To Previous Page IconTo Previous Page
Loading...
7 Wiring Diagram
7.1. CS-E18EKK CS-E21EKK
14
CS-E18EKK CU-E18EKK / CS-E21EKK CU-E21EKK

Related product manuals