EasyManua.ls Logo

Panasonic CS-E28GKE - Page 16

Panasonic CS-E28GKE
78 pages
Print Icon
To Next Page IconTo Next Page
To Next Page IconTo Next Page
To Previous Page IconTo Previous Page
To Previous Page IconTo Previous Page
Loading...
16
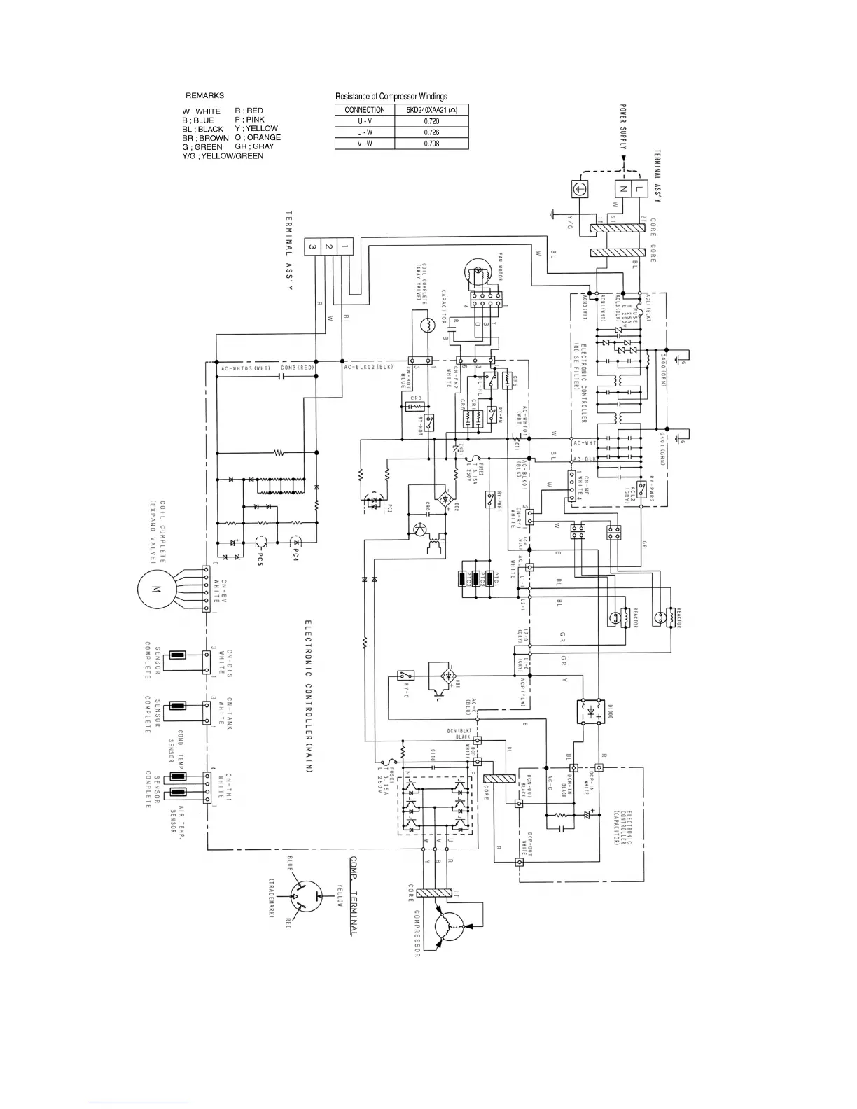
8.2.2. CU-E28GKE

Table of Contents

Related product manuals