EasyManua.ls Logo

Panasonic CS-E28GKE - Outdoor Unit

Panasonic CS-E28GKE
78 pages
Print Icon
To Next Page IconTo Next Page
To Next Page IconTo Next Page
To Previous Page IconTo Previous Page
To Previous Page IconTo Previous Page
Loading...
15
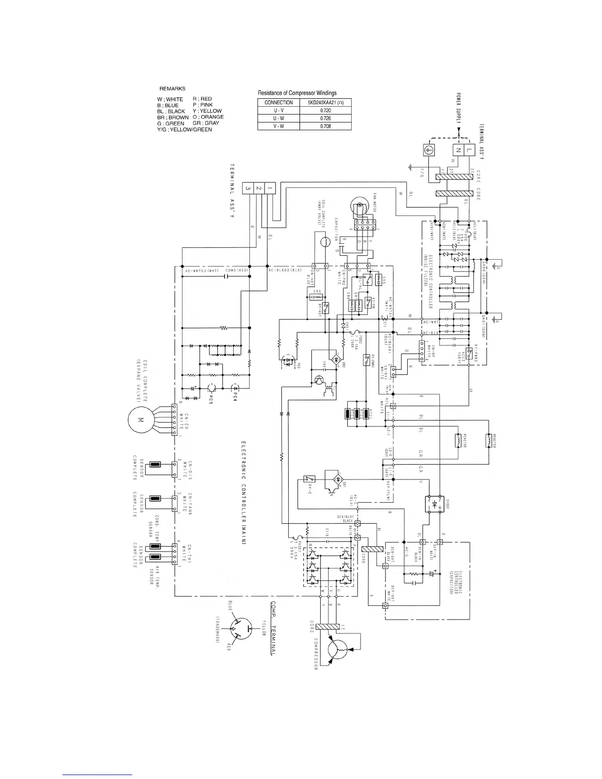
8.2. Outdoor Unit
8.2.1. CU-E24GKE

Table of Contents

Related product manuals