EasyManua.ls Logo

Panasonic CS-F24DTE5 - 14 Electronic Circuit Diagram; Indoor Unit

Panasonic CS-F24DTE5
108 pages
To Next Page IconTo Next Page
To Next Page IconTo Next Page
To Previous Page IconTo Previous Page
To Previous Page IconTo Previous Page
Loading...
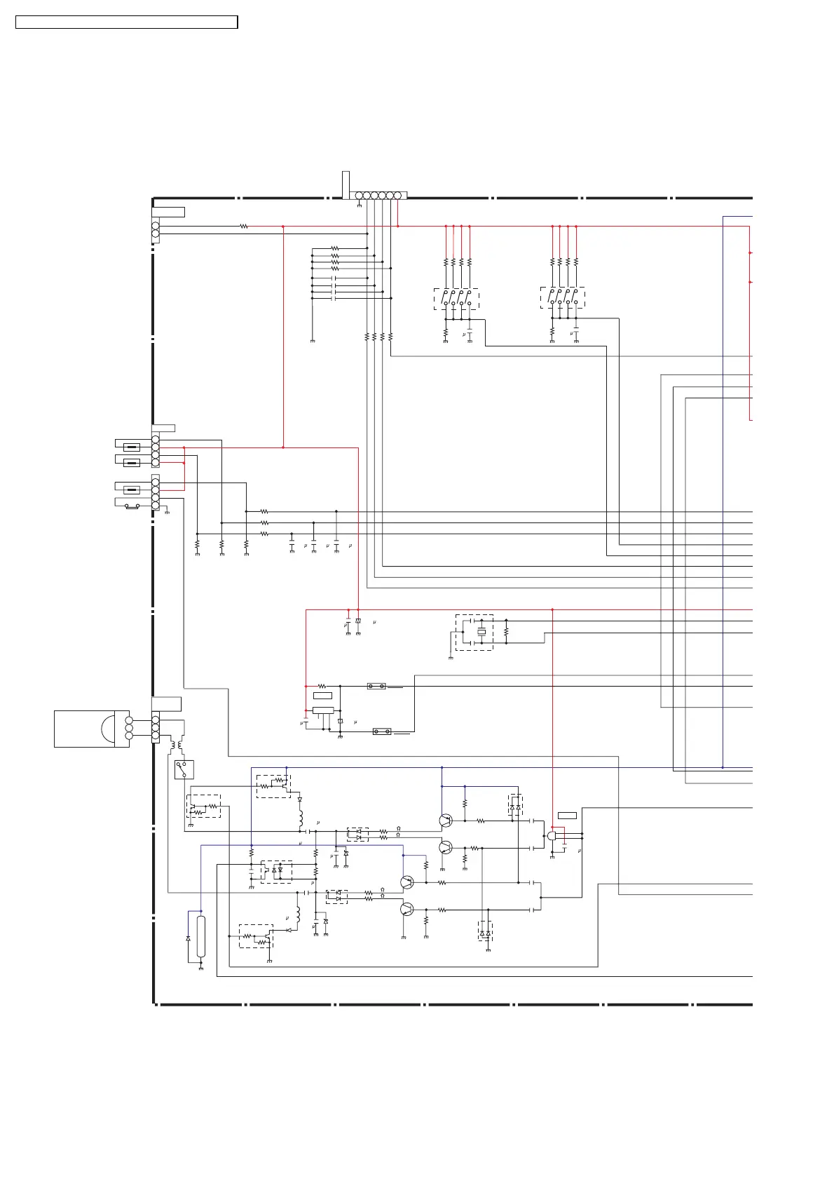
14 Electronic Circuit Diagram
14.1. Indoor unit
SCHEMATIC DIAGRAM 1/4
Q13
RT1N141C
Q12
DTA114EKA
D17
HRU0183A2
ZD4
UDZS308
ZD3
UDZS308
FLOAT
SM
LF 2
SS11V-R04520
CN-REM
(XH3)
1
2
3
D16
DAN217
Q9
2SB119EK
e
b
c
c
b
e
Q10
2SD1782K
Q7
2SB1198K
e
b
c
c
b
e
Q8
2SD1782K
D14
DAN202U
D13
DAP202U
IC5
TC7500F
5
4
3
2
1
RY-REM
+
-
R57
27k
PC5
TLP328
C39
2.2 25V
R55
750
C41
100p
(JC)
C40
C38
0.01
D18
HRU0103A2
Q11
UN2223TX
L2
820
H
R56
4.7k
C37
0.01
D15
DAN217
L1
820
H
C32
0.01
R50
3.9k
R46
3.9k
R47
3.9k
R43
3.9k
C33
2200p
+
IO
GGNC
IC4
BD47426
PIN3
NONE
PIN4
NONE
NRST
NMOD
C43
2.2
50V
C42
0.01
R60
100k
R77 10.0k 1%
R78 10.0k 1%
R79 10.0k 1%
R80 10.0k 1%
C68 0.047 25V
C69 0.047 25V
C70 0.047 25V
C71 0.047 25V
C50
1
6.3V
C51
1
6.3V
C52
1
6.3V
R64
20.0k
1%
R65
20.0k
1%
R66
15.0k
1%
R83 1k
R82 1k
R84 1k
R81 1k
R90 80.6k 1%
R89 40.2k 1%
R88 20k 1%
R87 10k 1%
R85
10k 1%
C56
0.01
SW1
R94 80.6k 1%
R93 40.2k 1%
R92 20k 1%
R91 10k 1%
R86
10k 1%
C57
0.01
SW2
C45
0.01
C44
10
50V
R61
150k
X1
16.8MHz
15pFx2
CN-TIMER
TO CN-OPT2
R67 1k
R68 1k
R69 1k
+
10k
b
10k
e
c
10k
10k
b
e
c
1
2
3
4
18k
10k
b
e
c
D8
R49 4.7k
R48 4.7k
R54 68 1/4W
R53 68 1/4W
C36
2200p
C35
2200p
R45 4.7k
R44 4.7k
R52 68 1/4W
R51 68 1/4W
C34
2200p
2.2
25V
123456
CN-OPT2
PIPE TEMP. SENSOR 2
(20k 3950)
PIPE TEMP. SENSOR 1
(20k 3950)
AIR TEMP. SENSOR
(15k 3950)
87 6 5
43 2 1
87 6 5
43 2 1
CN-TH1
4
3
2
1
4
3
2
1
2
1
REMOTE
CONTROLLER
R76
20k 1%
92
CS-F24DTE5 CU-L24DBE5 / CS-F28DTE5 CU-L28DBE5

Table of Contents

Other manuals for Panasonic CS-F24DTE5

Related product manuals