EasyManua.ls Logo

Panasonic CS-F34DD2E5 - Cu-B28 Dbe8; Cu-B34 Dbe8 Cu-B43 Dbe8 Cu-B50 Dbe8

Panasonic CS-F34DD2E5
145 pages
Print Icon
To Next Page IconTo Next Page
To Next Page IconTo Next Page
To Previous Page IconTo Previous Page
To Previous Page IconTo Previous Page
Loading...
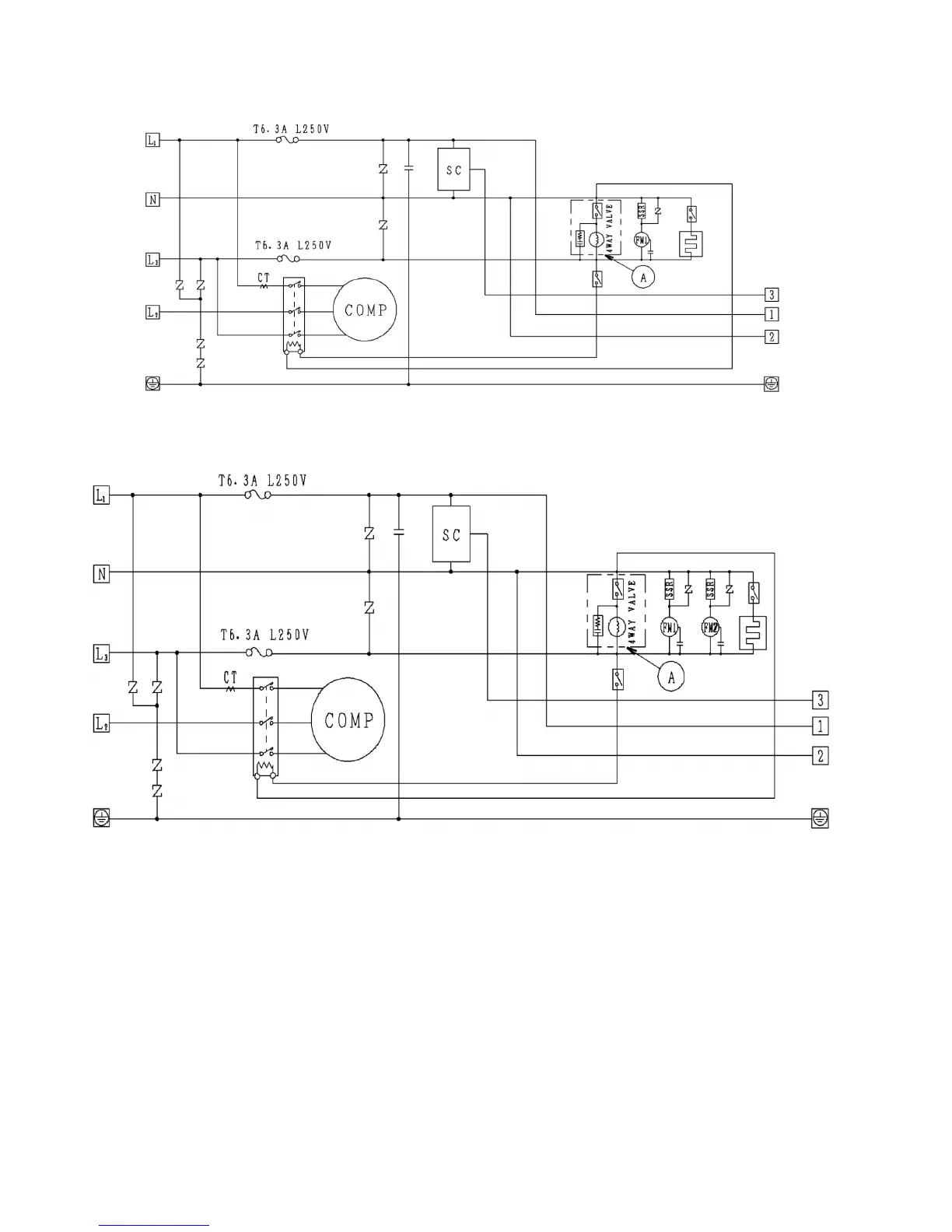
6.4. CU-B28DBE8
6.5. CU-B34DBE8 CU-B43DBE8 CU-B50DBE8
20

Table of Contents

Other manuals for Panasonic CS-F34DD2E5

Related product manuals