EasyManua.ls Logo

Panasonic CS-MC95KE - Exploded View

Panasonic CS-MC95KE
127 pages
Print Icon
To Next Page IconTo Next Page
To Next Page IconTo Next Page
To Previous Page IconTo Previous Page
To Previous Page IconTo Previous Page
Loading...
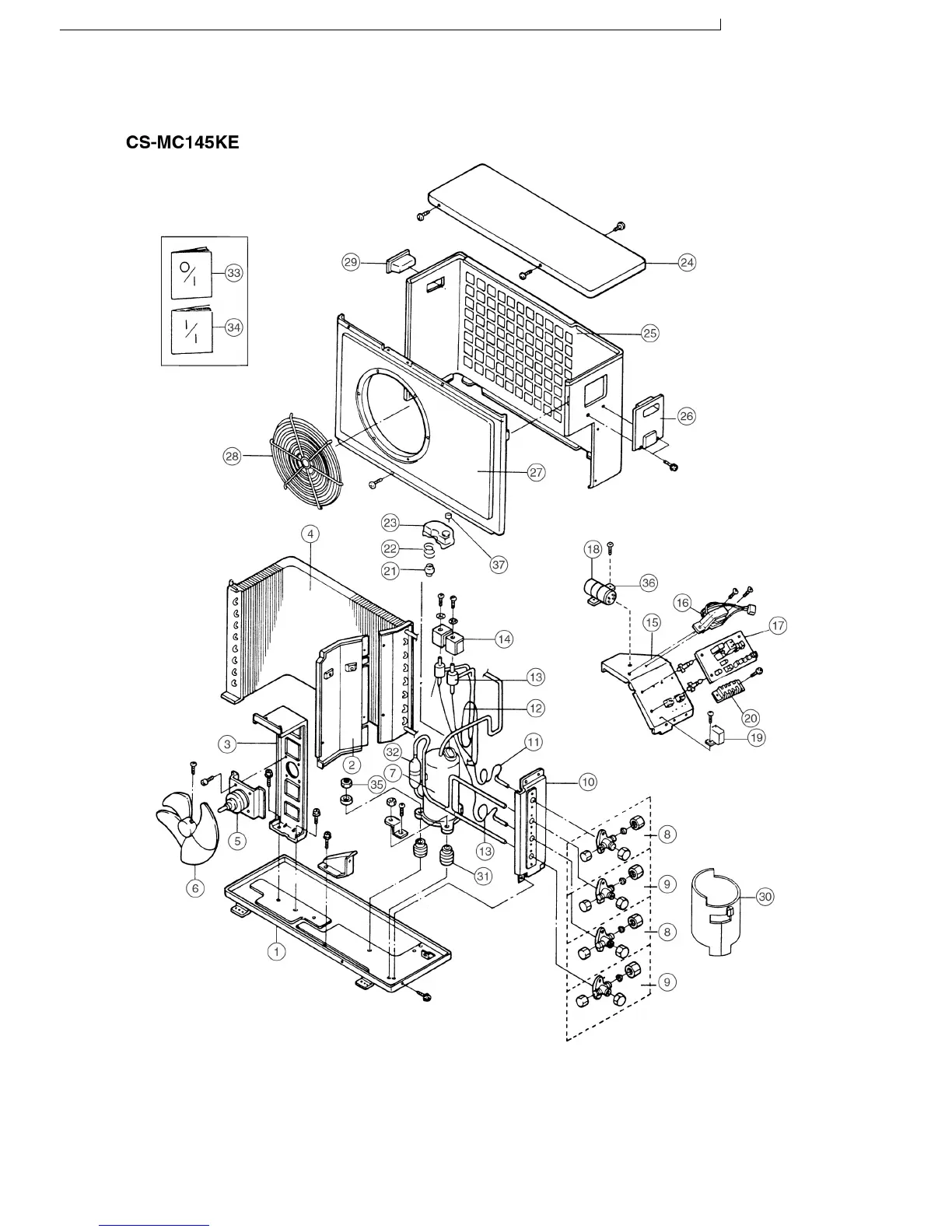
20 Exploded View
Note:
The above exploded view is for the purpose of parts disassembly and replacement.
The non-numbered parts are not kept as standard service parts.
108
CS-MC95KE CU-MC145KE / CS-MC95KE CU-MC185KE / CS-MC95KE CU-3MC205KE / CS-MC125KE CU-MC245KE / CS-MC76KE / CS-MC126KE CU-MC196KE

Table of Contents

Related product manuals