EasyManua.ls Logo

Panasonic CS-MC95KE - Gas charging

Panasonic CS-MC95KE
127 pages
Print Icon
To Next Page IconTo Next Page
To Next Page IconTo Next Page
To Previous Page IconTo Previous Page
To Previous Page IconTo Previous Page
Loading...
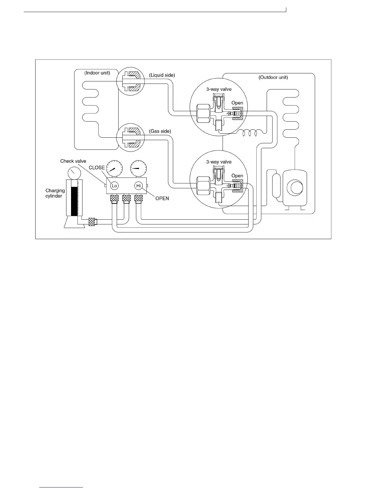
(After Evacuation)
1.
Connect the charge hose to the charging cylinder.
Connect the charge hose which was disconnected from
the vacuum pump to the valve at the bottom of the
cylinder.
2.
Purge the air from the charge hose.
Open the valve at the bottom of the cylinder and use a
screwdriver to press the check valve on the charge set
to purge the air (be careful of the liquid refrigerant).
3.
Open the High side on the charge set and charge the
refrigerant to the unit.
Be sure to open only the High side valve on the charge
set to charge the system from the liquid-side (high-
presure) pipe. (If the system cannot be charged with the
specified amount of refrigerant, operate the compressor
until the specified amount can be charged, and then
close the valve at the bottom of the charge cylinder.)
4.
Immediately disconnect the charge hose from both the
3-way valve service ports.
5.
Mount the valve stem nuts and the service port caps
onto the 3-way valves.
Use torque wrench to tighten the service port caps to a
torque of 18 N.m.
Be sure to check for gas leakage.
11.6. Gas charging
Procedure:
82
CS-MC95KE CU-MC145KE / CS-MC95KE CU-MC185KE / CS-MC95KE CU-3MC205KE / CS-MC125KE CU-MC245KE / CS-MC76KE / CS-MC126KE CU-MC196KE

Table of Contents

Related product manuals