EasyManua.ls Logo

Panasonic CS-MC95KE - Evacuation

Panasonic CS-MC95KE
127 pages
Print Icon
To Next Page IconTo Next Page
To Next Page IconTo Next Page
To Previous Page IconTo Previous Page
To Previous Page IconTo Previous Page
Loading...
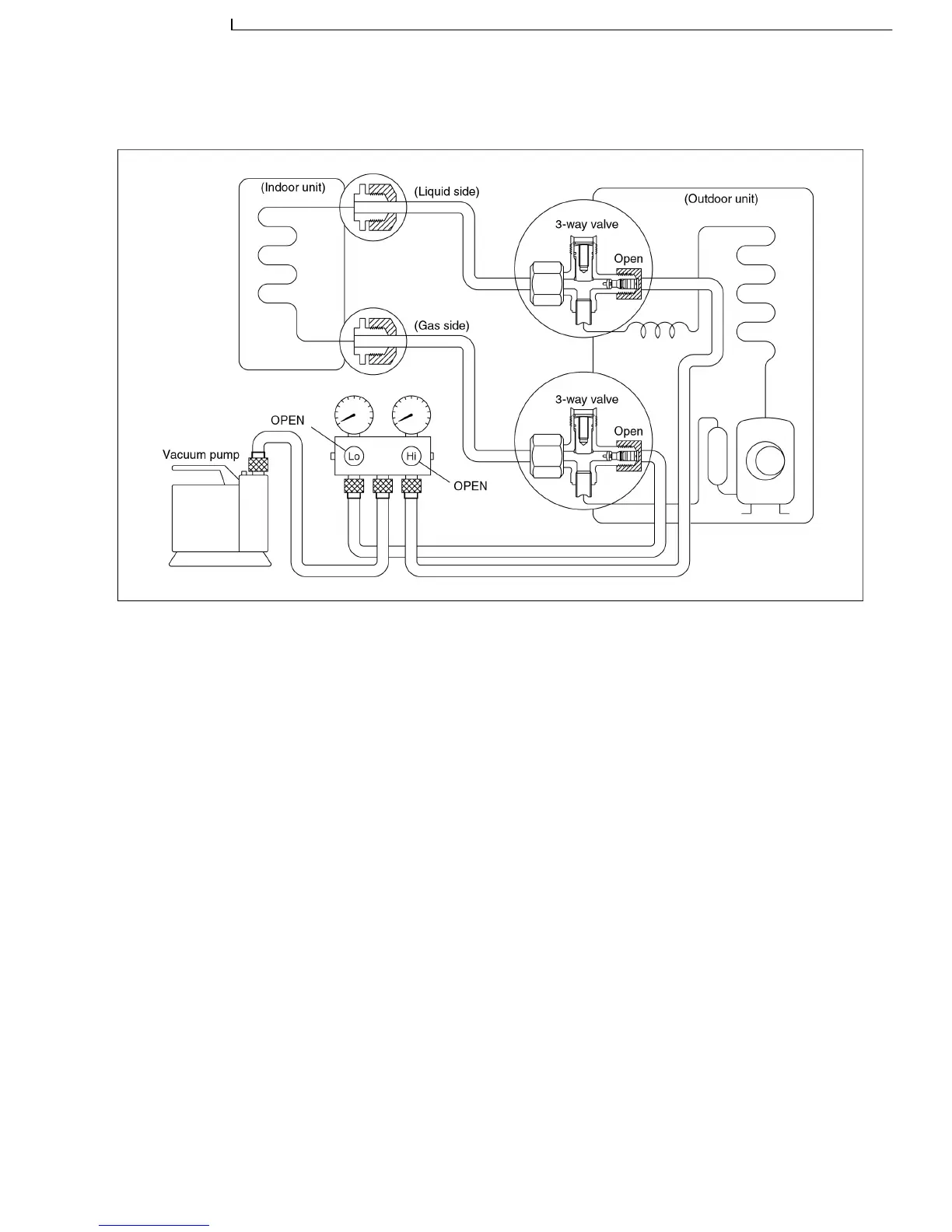
(No refrigerant in the refrigeration cycle)
1.
Connect the vacuum pump to the charge sets centre
hose.
2.
Turn on the vacuum pump to evacuate the unit.
Confirm that the gauge needle has moved toward -76
cmHg (-0.1 MPa).
Apply the vacuum for approximately 1 hour (vacuum of
4 mmHg or less).
3.
Close the valves (Low side and High side) on the
charge set, turn off the vacuum pump, and confirm that
the gauge needle does not move (approximately 5
minutes after the vacuum pump is turned off).
4.
Disconnect the charge hose from the vacuum pump.
11.5. Evacuation
Procedure:
81
CS-MC95KE CU-MC145KE / CS-MC95KE CU-MC185KE / CS-MC95KE CU-3MC205KE / CS-MC125KE CU-MC245KE / CS-MC76KE / CS-MC126KE CU-MC196KE

Table of Contents

Related product manuals