EasyManua.ls Logo

Panasonic CS-MC95KE - Page 32

Panasonic CS-MC95KE
127 pages
Print Icon
To Next Page IconTo Next Page
To Next Page IconTo Next Page
To Previous Page IconTo Previous Page
To Previous Page IconTo Previous Page
Loading...
32
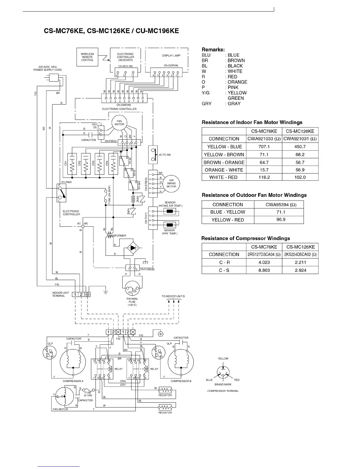
CS-MC95KE CU-MC145KE / CS-MC95KE CU-MC185KE / CS-MC95KE CU-3MC205KE / CS-MC125KE CU-MC245KE / CS-MC76KE / CS-MC126KE CU-MC196KE

Table of Contents

Related product manuals