EasyManua.ls Logo

Panasonic CS-S18HKH

Panasonic CS-S18HKH
67 pages
To Next Page IconTo Next Page
To Next Page IconTo Next Page
To Previous Page IconTo Previous Page
To Previous Page IconTo Previous Page
Loading...
16
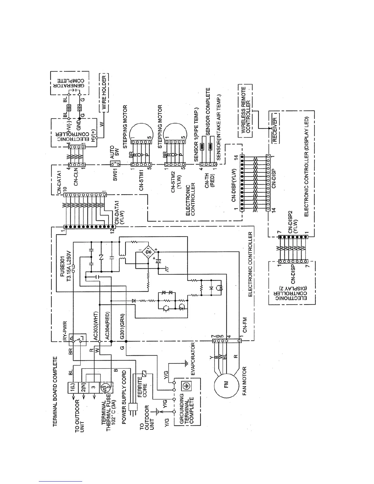
8 Wiring Connection Diagram
8.1. Indoor Unit
8.1.1. CS-S18HKH CS-S24HKH

Table of Contents

Related product manuals