EasyManua.ls Logo

Panasonic CS-S18HKH

Panasonic CS-S18HKH
67 pages
To Next Page IconTo Next Page
To Next Page IconTo Next Page
To Previous Page IconTo Previous Page
To Previous Page IconTo Previous Page
Loading...
17
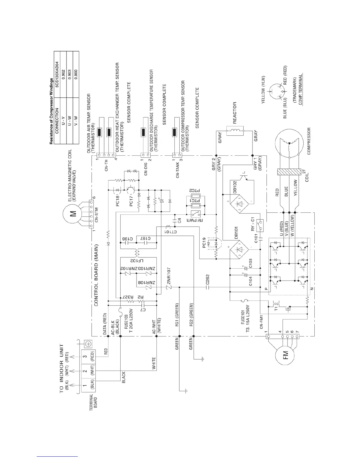
8.2. Outdoor Unit
8.2.1. CU-S18HKH

Table of Contents

Related product manuals