EasyManua.ls Logo

Panasonic CS-S18MKQ

Panasonic CS-S18MKQ
144 pages
To Next Page IconTo Next Page
To Next Page IconTo Next Page
To Previous Page IconTo Previous Page
To Previous Page IconTo Previous Page
Loading...
77
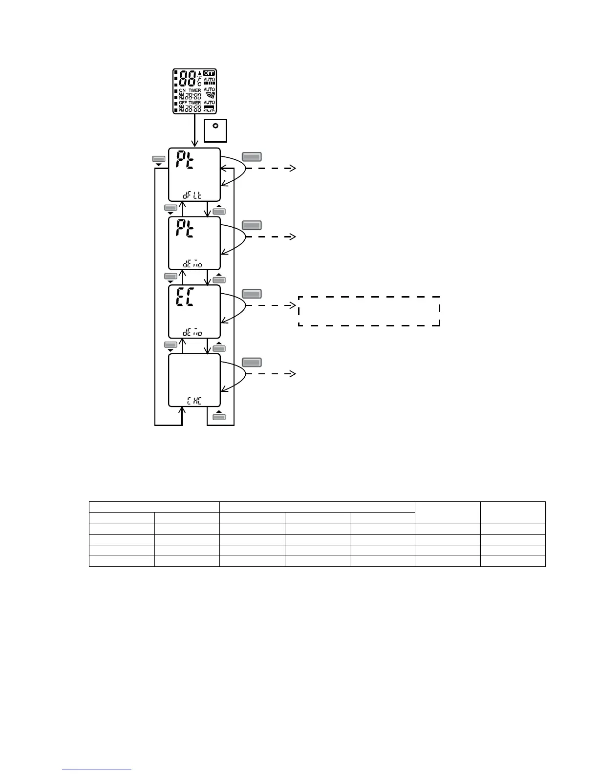
12.14.9 ECO NAVI and AUTO COMF Demo Mode
To enable ECO DEMO mode:
SET
SET
Transmit Patrol default OFF/ON code
(Buzzer: OFF:peep, ON:peep)
Press continously for 15s
SET
Transmit Patrol demo code
(Buzzer: OFF:peep, ON:peep)
SET
Transmit ECO demo code
(Buzzer: OFF:peep, ON:peep)
SET
Transmit check code
(Buzzer:peep)
Remote control normal mode
To disable ECO Demo MODE:
Transmit ECO Demo signal again.
Transmit Patrol Demo signal.
Operation details
Infrared Sensor Human Activity Indicator
Sensor 1 Sensor 2 Left Center Right
Vane Position Fan Speed
1 0 5 HI
1 1 Auto Swing HI
0 1 1 HI
0 0 Auto Swing LO
The target area will maintain for 5 seconds before changeover to next detection.
If no activity detection, the last action will maintain for 30 seconds before changeover to human absence status.

Table of Contents

Other manuals for Panasonic CS-S18MKQ

Related product manuals