EasyManua.ls Logo

Panasonic CU-2V18BKP5G - Page 24

Panasonic CU-2V18BKP5G
95 pages
Print Icon
To Next Page IconTo Next Page
To Next Page IconTo Next Page
To Previous Page IconTo Previous Page
To Previous Page IconTo Previous Page
Loading...
24
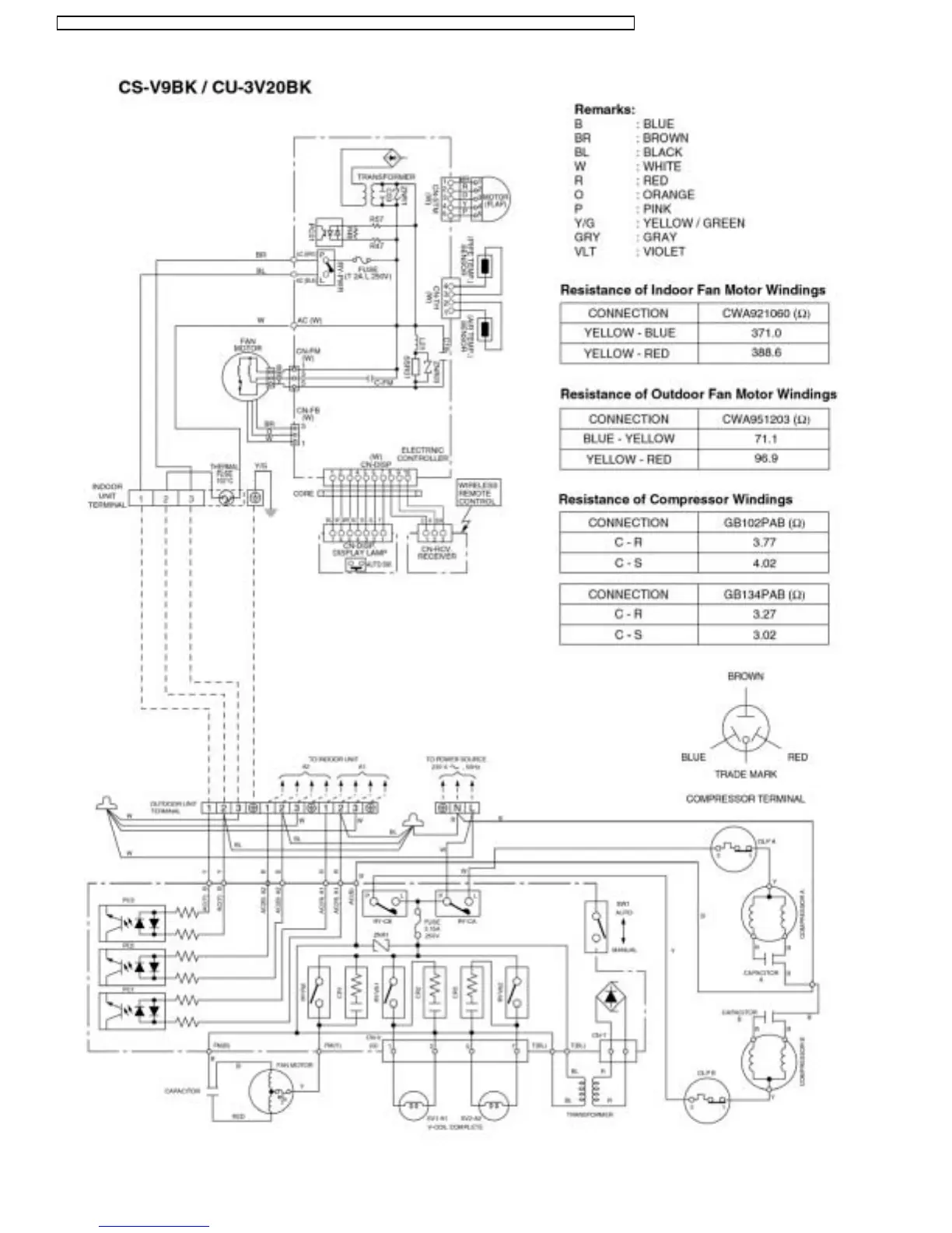
CS-V9BKPG CU-2V14BKP5G / CS-V9BKPG CU-2V18BKP5G / CS-V9BKP G CU-3V20BKP5G / CS-V7BKP G CU-2V19BKP5G / CS-V12BKPG

Related product manuals