EasyManua.ls Logo

Panasonic CU-A125KE - Evacuation (No Refrigerant); Evacuation Procedure for Empty System

Panasonic CU-A125KE
98 pages
Print Icon
To Next Page IconTo Next Page
To Next Page IconTo Next Page
To Previous Page IconTo Previous Page
To Previous Page IconTo Previous Page
Loading...
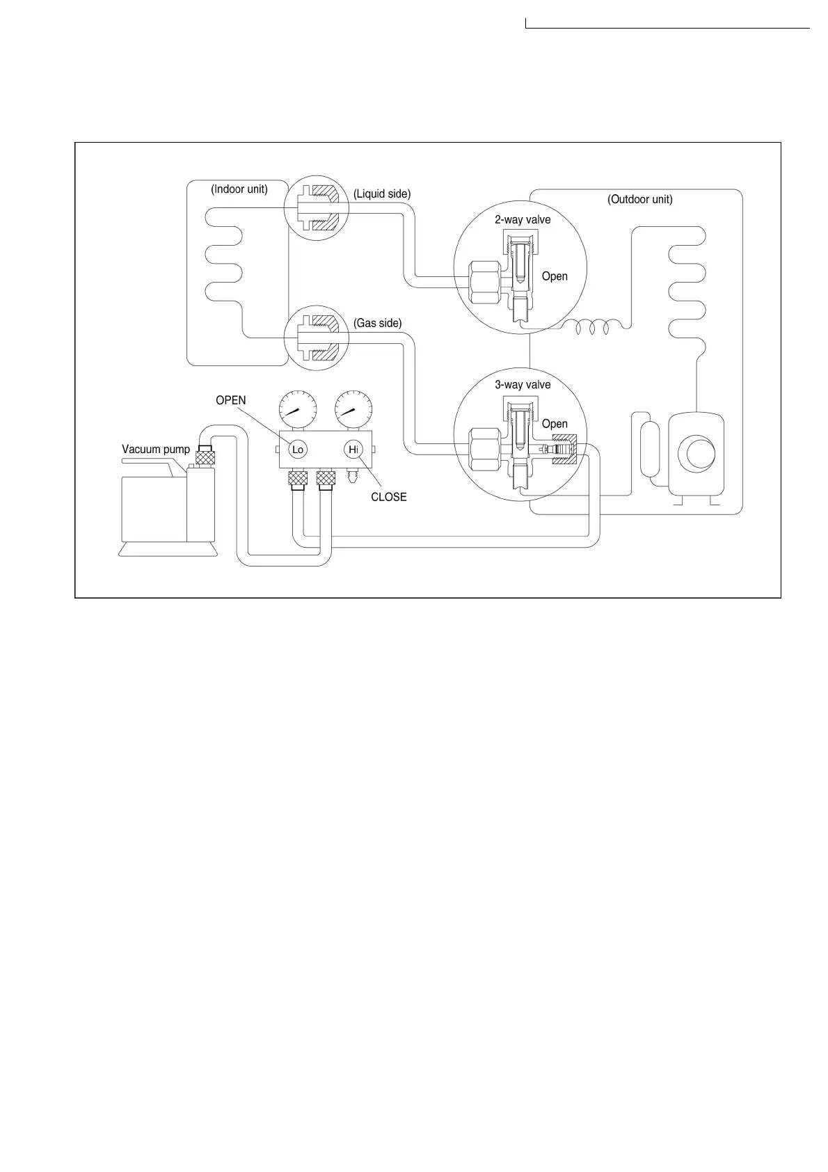
(No refrigerant in the refrigeration cycle)
Procedure:
1.
Connect the vacuum pump to the charge sets centre
hose.
2.
Evacuation for approximately one hour.
Confirm that the gauge needle has moved toward -0.1
MPa (-76 cmHg) [vacuum of 4 mmHg or less.]
3.
Close the valve (Low side) on the charge set, turn off
the vacuum pump, and confirm that the gauge needle
does not move (approximately 5 minutes after turning
off the vacuum pump).
4.
Disconnect the charge hose from the vacuum pump.
Vacuum pump oil
If the vacuum pump oil becomes dirty or depleted,
replenish as needed.
11.5. Evacuation
71
CS-A75KE CU-A75KE / CS-A95KE CU-A95KE / CS-A125KE CU-A125KE

Table of Contents

Related product manuals