EasyManua.ls Logo

Panasonic CU-A125KE - Page 95

Panasonic CU-A125KE
98 pages
Print Icon
To Next Page IconTo Next Page
To Next Page IconTo Next Page
To Previous Page IconTo Previous Page
To Previous Page IconTo Previous Page
Loading...
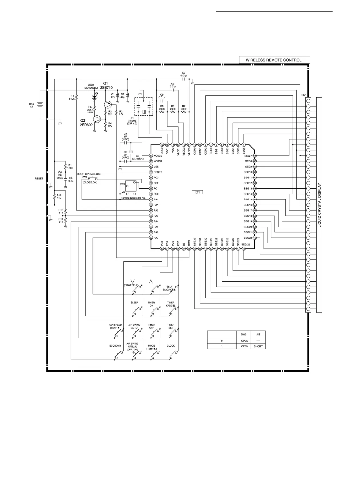
22.1. REMOTE CONTROL
95
CS-A75KE CU-A75KE / CS-A95KE CU-A95KE / CS-A125KE CU-A125KE

Table of Contents

Related product manuals