EasyManua.ls Logo

Panasonic CU-A9HKD - 8 Wiring Connection Diagram; Cs-A7 Hkd Cu-A7 Hkdcs-A9 Hkd Cu- A9 Hkd

Panasonic CU-A9HKD
78 pages
Print Icon
To Next Page IconTo Next Page
To Next Page IconTo Next Page
To Previous Page IconTo Previous Page
To Previous Page IconTo Previous Page
Loading...
18
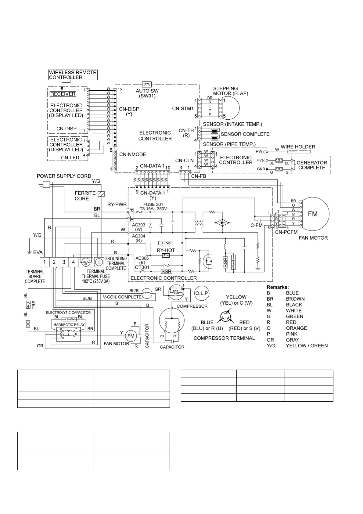
8 Wiring Connection Diagram
8.1. CS-A7HKD CU-A7HKD
CS-A9HKD CU-A9HKD
Resistance of Indoor Fan Motor Windings
Note: Resistance at 25°C of ambient temperature.
Resistance of Outdoor Fan Motor Windings
Note: Resistance at 25°C of ambient temperature.
Resistance of Compressor Windings
Note: Resistance at 20°C of ambient temperature.
MODEL CS-A7HK
CS-A9HK
CONNECTION CWA921373
BLUE-YELLOW 390.0 Ω
YELLOW-RED 394.0 Ω
MODEL CU-A7HK
CU-A9HK
CONNECTION CWA951526
BLUE-YELLOW 309 Ω
YELLOW-RED 210 Ω
MODEL CU-A7HK CU-A9HK
CONNECTION 2RS122D5BG02 2PS156D3BB02
C - R 5.193 Ω 3.501 Ω
C - S 5.557 Ω 3.405 Ω

Table of Contents