EasyManua.ls Logo

Panasonic CU-A9HKD - Cs-A12 Hkd Cu-A12 Hkd

Panasonic CU-A9HKD
78 pages
Print Icon
To Next Page IconTo Next Page
To Next Page IconTo Next Page
To Previous Page IconTo Previous Page
To Previous Page IconTo Previous Page
Loading...
19
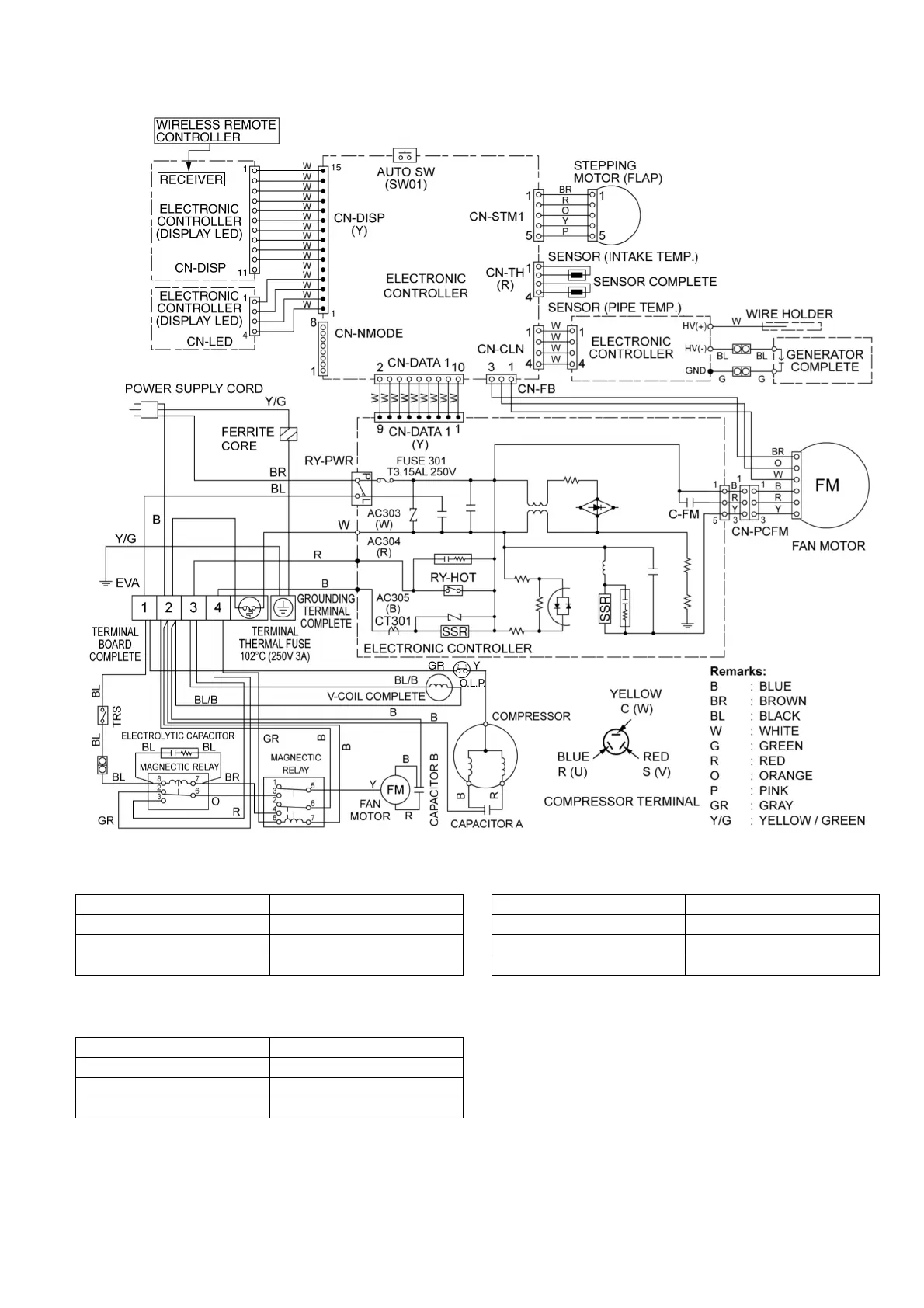
8.2. CS-A12HKD CU-A12HKD
Resistance of Indoor Fan Motor Windings
Note: Resistance at 25°C of ambient temperature.
Resistance of Outdoor Fan Motor Windings
Note: Resistance at 25°C of ambient temperature.
Resistance of Compressor Windings
Note: Resistance at 20°C of ambient temperature.
MODEL CS-A12HK
CONNECTION CWA921373
BLUE-YELLOW 390.0 Ω
YELLOW-RED 394.0 Ω
MODEL CU-A12HK
CONNECTION CWA951117J
BLUE-YELLOW 230 Ω
YELLOW-RED 255 Ω
MODEL CU-A12HK
CONNECTION 2PS206D2BA02
C - R 3.207 Ω
C - S 3.256 Ω

Table of Contents