EasyManua.ls Logo

Panasonic CU-E24NKUA - Outdoor Unit

Panasonic CU-E24NKUA
82 pages
Print Icon
To Next Page IconTo Next Page
To Next Page IconTo Next Page
To Previous Page IconTo Previous Page
To Previous Page IconTo Previous Page
Loading...
15
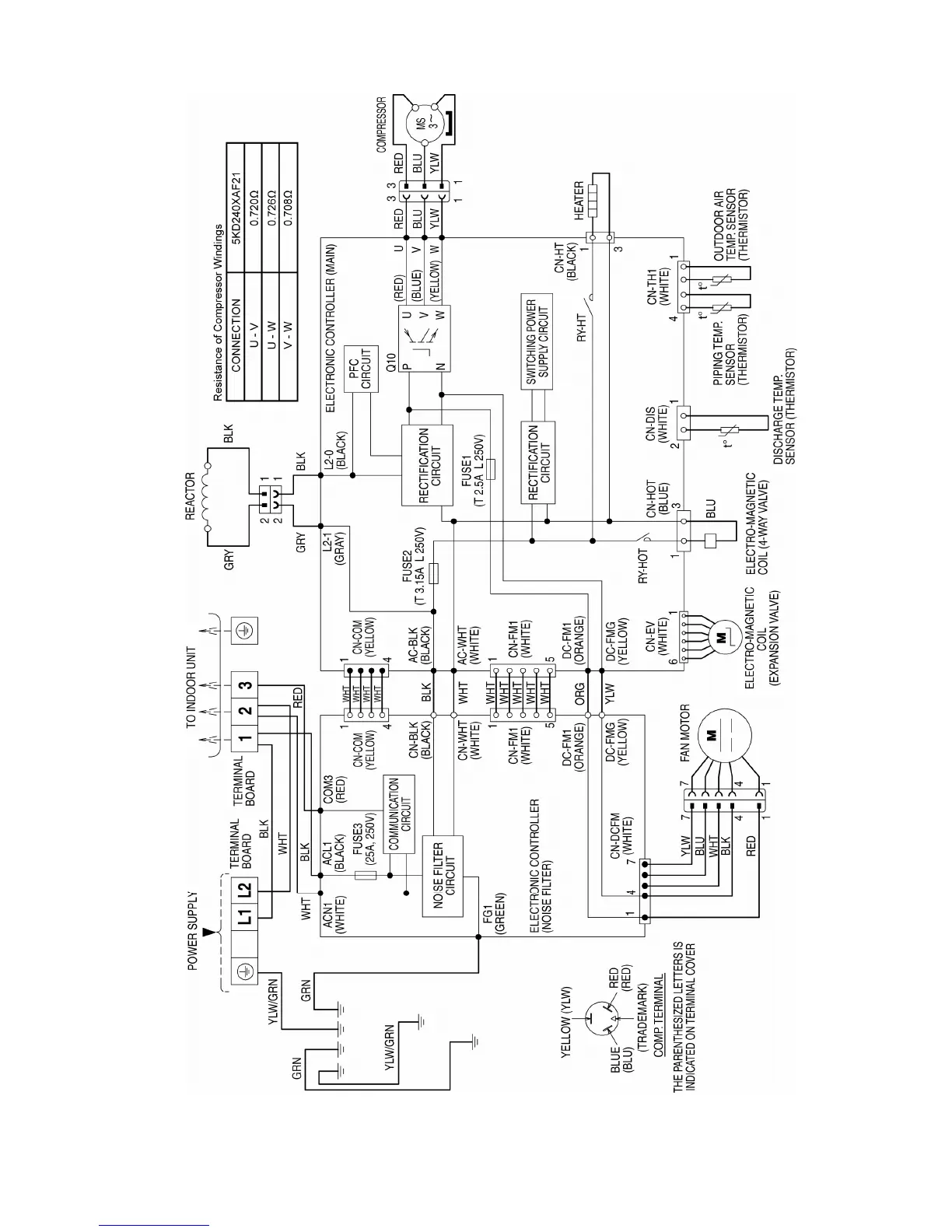
8.2 Outdoor Unit

Table of Contents

Other manuals for Panasonic CU-E24NKUA

Related product manuals