EasyManua.ls Logo

Panasonic CU-E9BKP5 - Refrigeration Cycle Diagram

Panasonic CU-E9BKP5
89 pages
Print Icon
To Next Page IconTo Next Page
To Next Page IconTo Next Page
To Previous Page IconTo Previous Page
To Previous Page IconTo Previous Page
Loading...
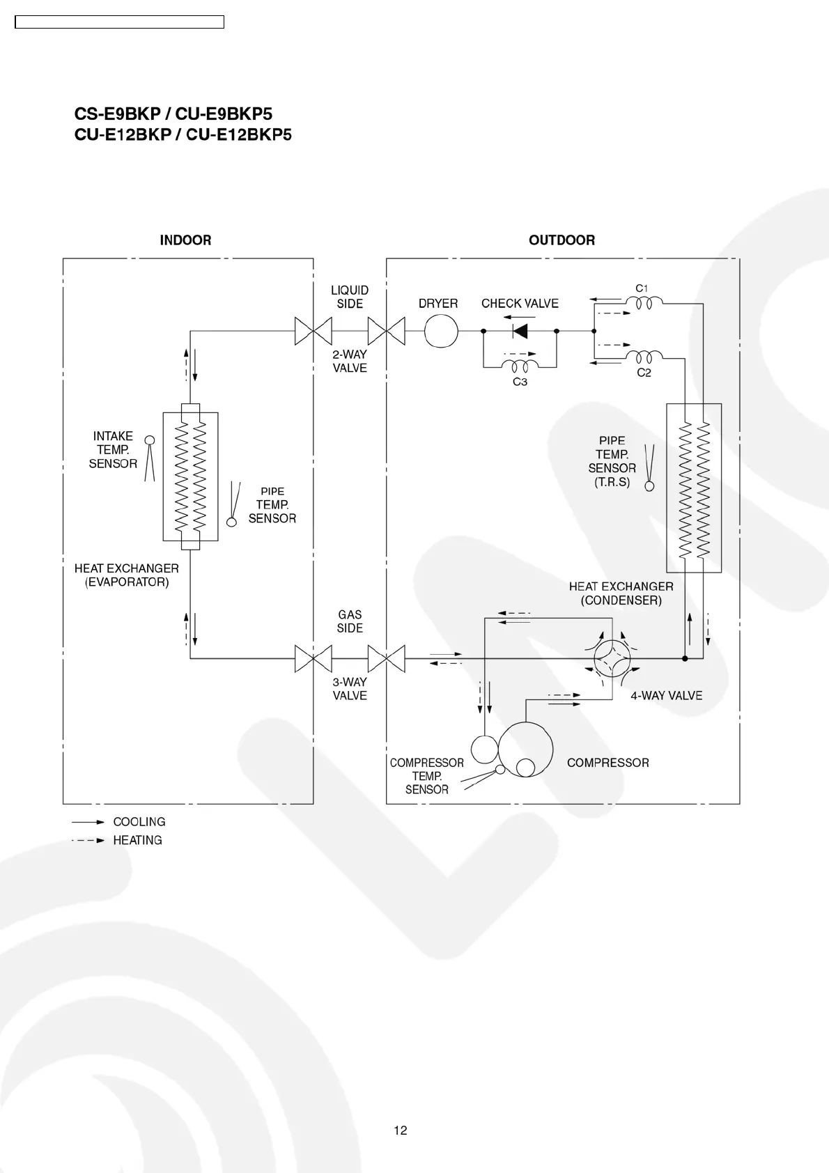
5 Refrigeration Cycle Diagram
12
CS-E9BKP CU-E9BKP5 / CS-E12BKP CU-E12BKP5

Other manuals for Panasonic CU-E9BKP5

Related product manuals