EasyManua.ls Logo

Panasonic CU-E9DKE - Wiring Diagram

Panasonic CU-E9DKE
98 pages
Print Icon
To Next Page IconTo Next Page
To Next Page IconTo Next Page
To Previous Page IconTo Previous Page
To Previous Page IconTo Previous Page
Loading...
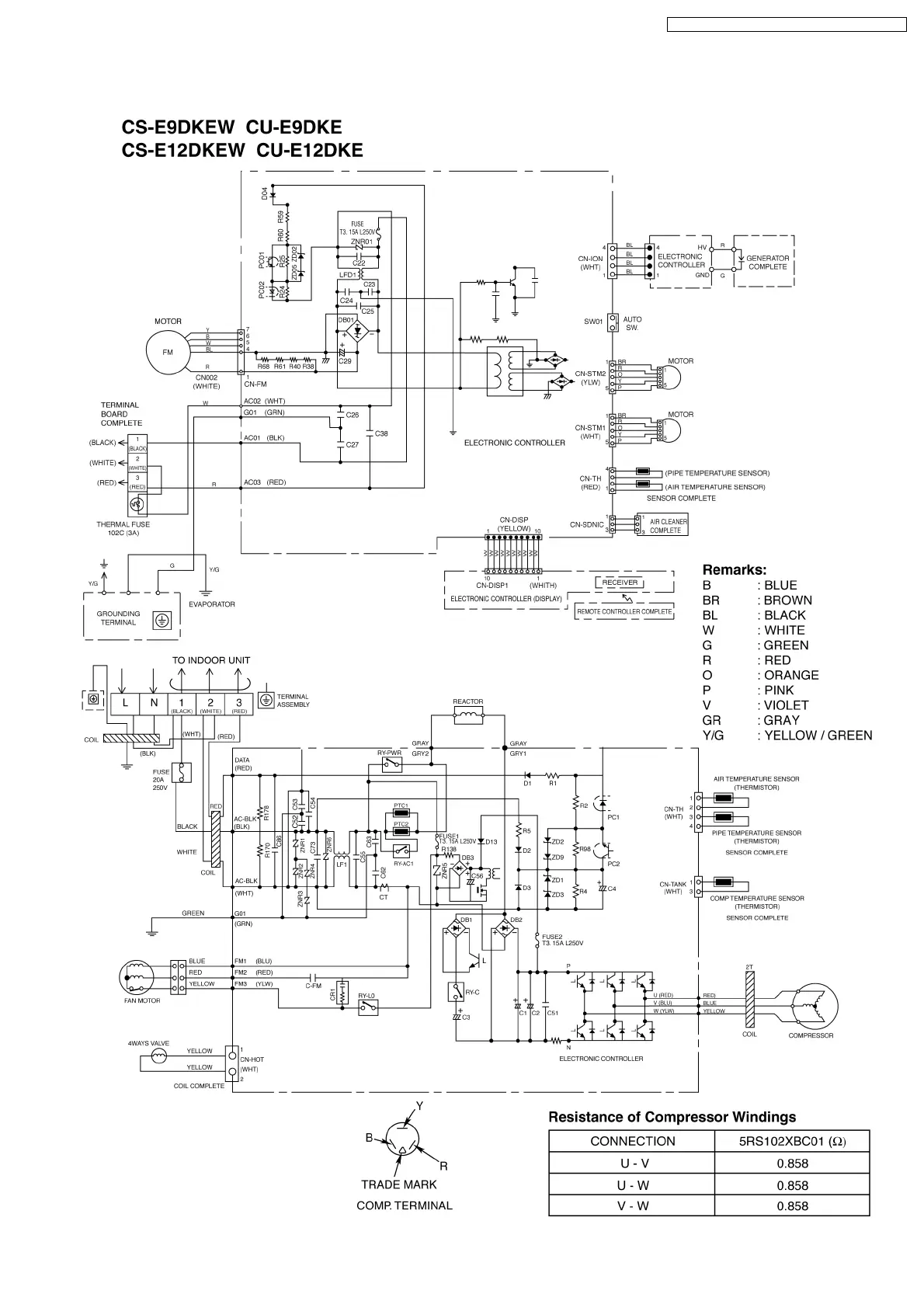
7 Wiring Diagram
15
CS-E9DKEW CU-E9DKE / CS-E12DKEW CU-E12DKE
This document is protected (secured) by www.nettovarmepumpar.se

Table of Contents

Related product manuals