EasyManua.ls Logo

Panasonic CU-E9GKE - Outdoor Unit Electronic Circuit Diagram

Panasonic CU-E9GKE
72 pages
Print Icon
To Next Page IconTo Next Page
To Next Page IconTo Next Page
To Previous Page IconTo Previous Page
To Previous Page IconTo Previous Page
Loading...
19
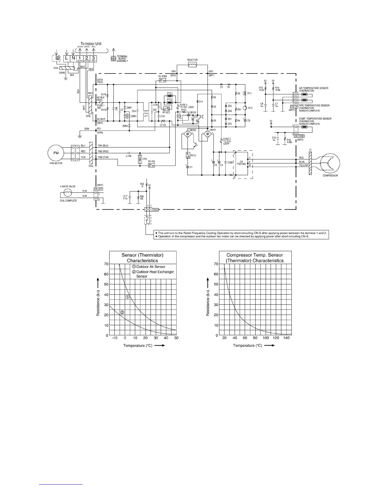
9.2. Outdoor Unit

Table of Contents

Related product manuals