EasyManua.ls Logo

Panasonic CU-E9NKD - Page 29

Panasonic CU-E9NKD
145 pages
Print Icon
To Next Page IconTo Next Page
To Next Page IconTo Next Page
To Previous Page IconTo Previous Page
To Previous Page IconTo Previous Page
Loading...
29
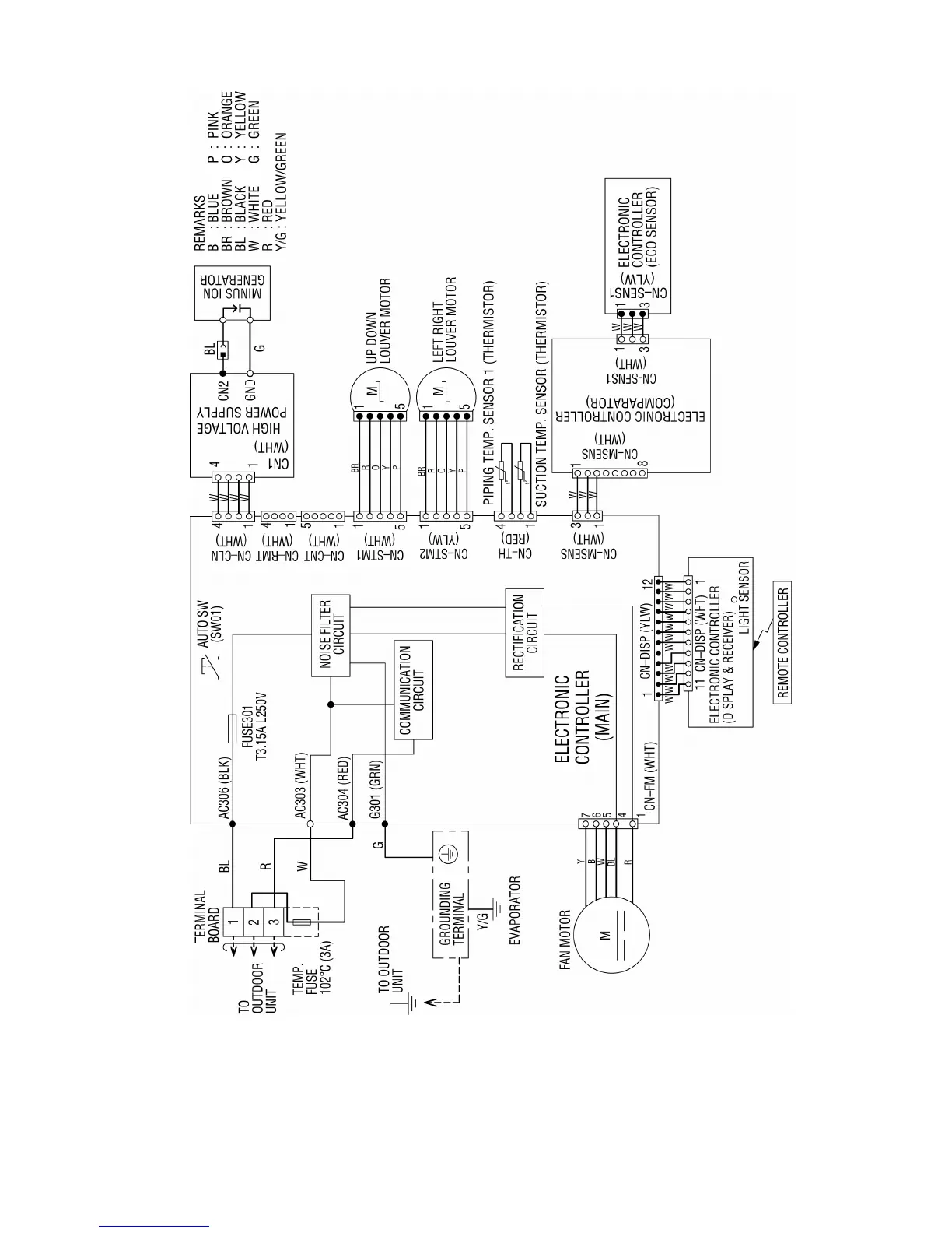
8.1.2 CS-E18NKDW

Table of Contents

Related product manuals