EasyManua.ls Logo

Panasonic CU-L28DBE5 - Cu-L24 Dbe5 Cu-L28 Dbe5

Panasonic CU-L28DBE5
112 pages
Print Icon
To Next Page IconTo Next Page
To Next Page IconTo Next Page
To Previous Page IconTo Previous Page
To Previous Page IconTo Previous Page
Loading...
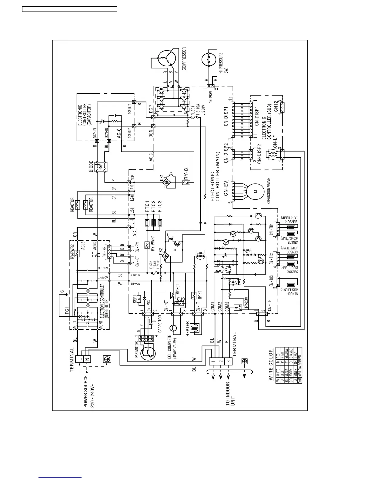
7.2. CU-L24DBE5 CU-L28DBE5
20
CS-F24DB4E5 CU-L24DBE5 / CS-F28DB4E5 CU-L28DBE5

Table of Contents