EasyManua.ls Logo

Panasonic CU-PC12JKF - Wiring Connection Diagram

Panasonic CU-PC12JKF
48 pages
Print Icon
To Next Page IconTo Next Page
To Next Page IconTo Next Page
To Previous Page IconTo Previous Page
To Previous Page IconTo Previous Page
Loading...
13
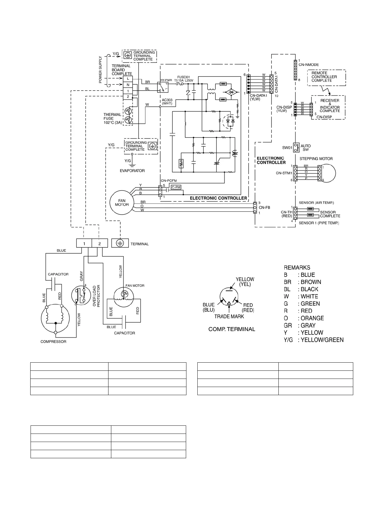
8 Wiring Connection Diagram
Resistance of Indoor Fan Motor Windings
Note: Resistance at 20°C of ambient temperature.
Resistance of Outdoor Fan Motor Windings
Note: Resistance at 20°C of ambient temperature.
Resistance of Compressor Windings
Note: Resistance at 20°C of ambient temperature.
MODEL CS-PC12JK
CONNECTION
CWA921413
BLUE-YELLOW 316.2 Ω
YELLOW-RED 320.8 Ω
MODEL CU-PC12JK
CONNECTION
CWA951639
BLUE-YELLOW 99 Ω
YELLOW-RED 197 Ω
MODEL CU-PC12JK
CONNECTION 2KS210D5BA02
C - R 1.930 Ω
C - S 2.449 Ω

Related product manuals