EasyManua.ls Logo

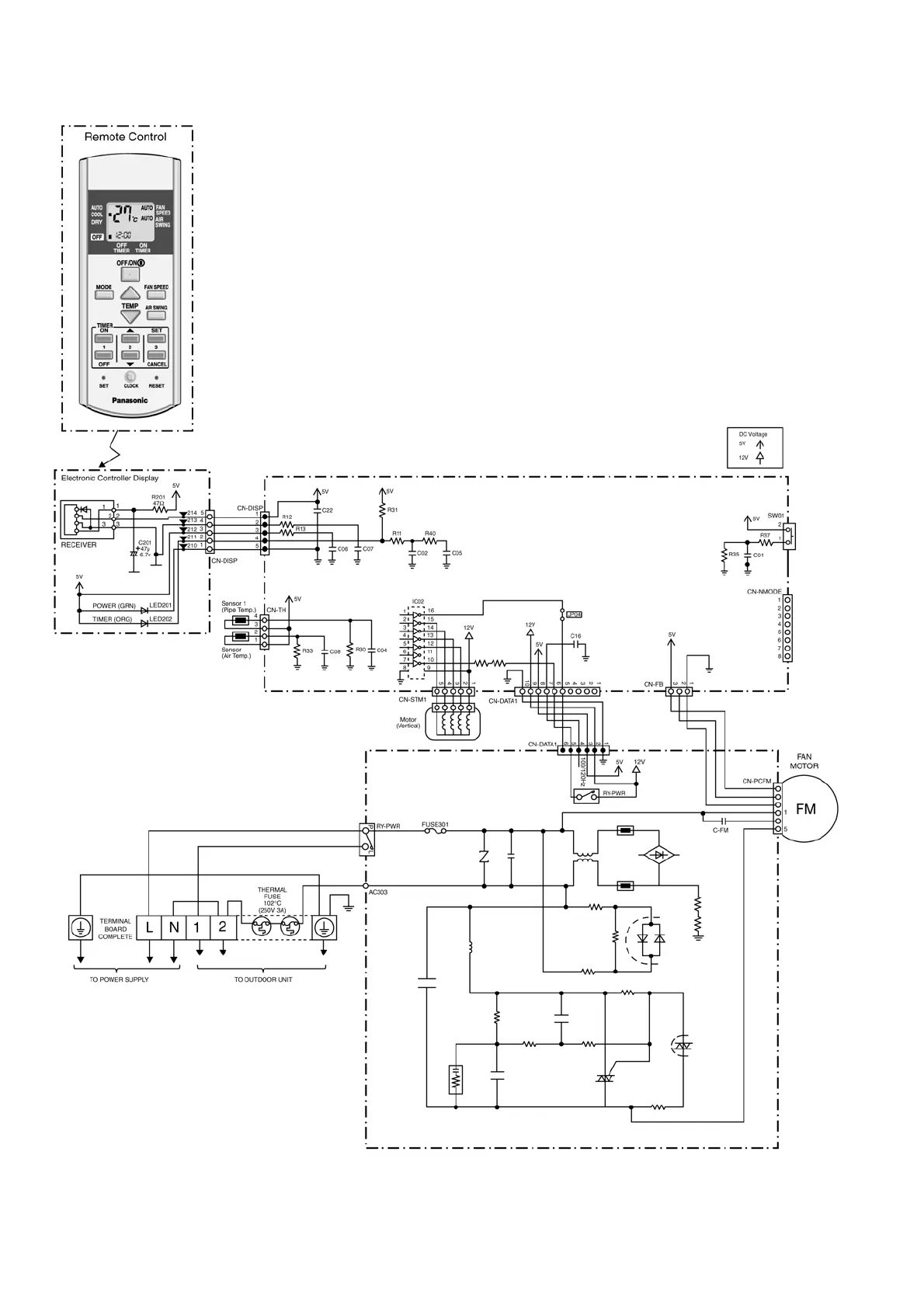
Panasonic CU-PC12JKF - Electronic Circuit Diagram

Panasonic CU-PC12JKF
48 pages
Print Icon
To Next Page IconTo Next Page
To Next Page IconTo Next Page
To Previous Page IconTo Previous Page
To Previous Page IconTo Previous Page
Loading...
14
9 Electronic Circuit Diagram

Related product manuals