EasyManua.ls Logo

Panasonic CU-PC24MKF - Quick Guide: Remote Control Preparation; Remote Control Preparation; Select Desired Mode; Start;Stop Operation

Panasonic CU-PC24MKF
87 pages
Print Icon
To Next Page IconTo Next Page
To Next Page IconTo Next Page
To Previous Page IconTo Previous Page
To Previous Page IconTo Previous Page
Loading...
16
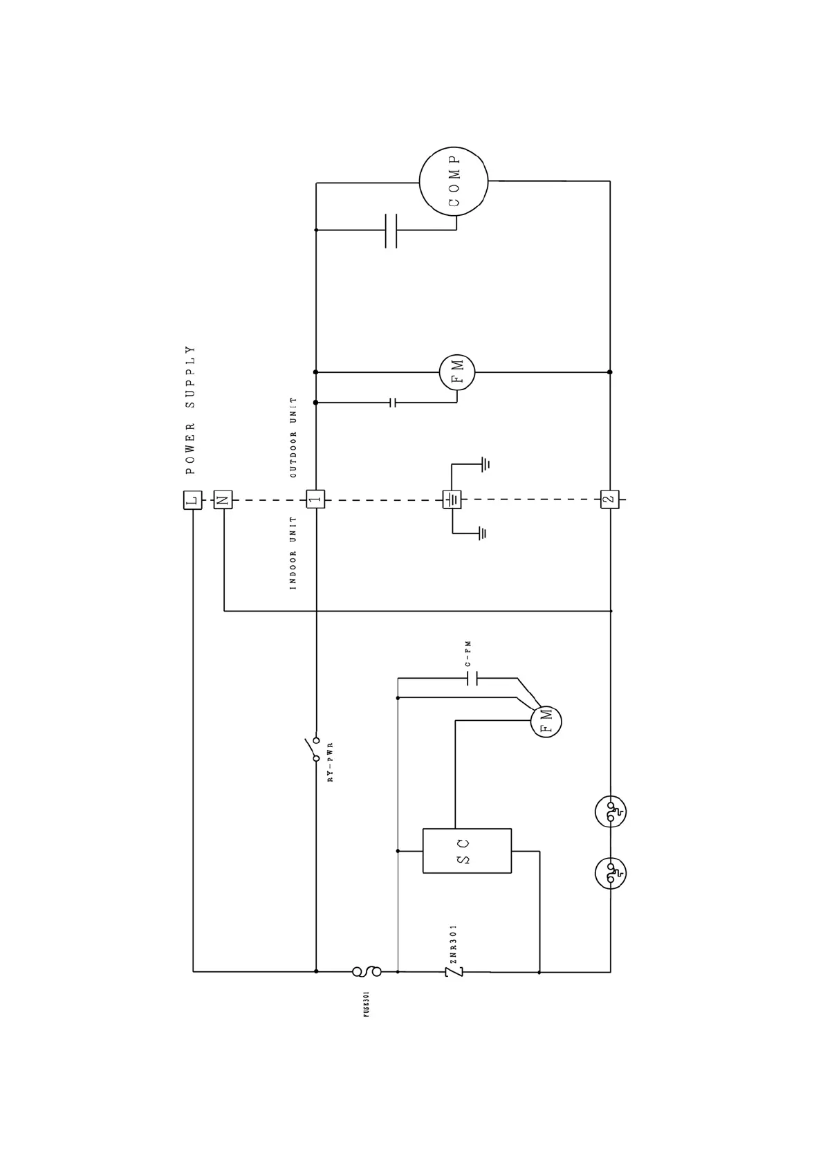
7 Block Diagram
7.1. CS-PC12MKF

Table of Contents

Other manuals for Panasonic CU-PC24MKF

Related product manuals