EasyManua.ls Logo

Panasonic CU-PC24MKF - Wiring Connection Diagram; Cs-Pc12 Mkf Cu-Pc12 Mkf

Panasonic CU-PC24MKF
87 pages
Print Icon
To Next Page IconTo Next Page
To Next Page IconTo Next Page
To Previous Page IconTo Previous Page
To Previous Page IconTo Previous Page
Loading...
18
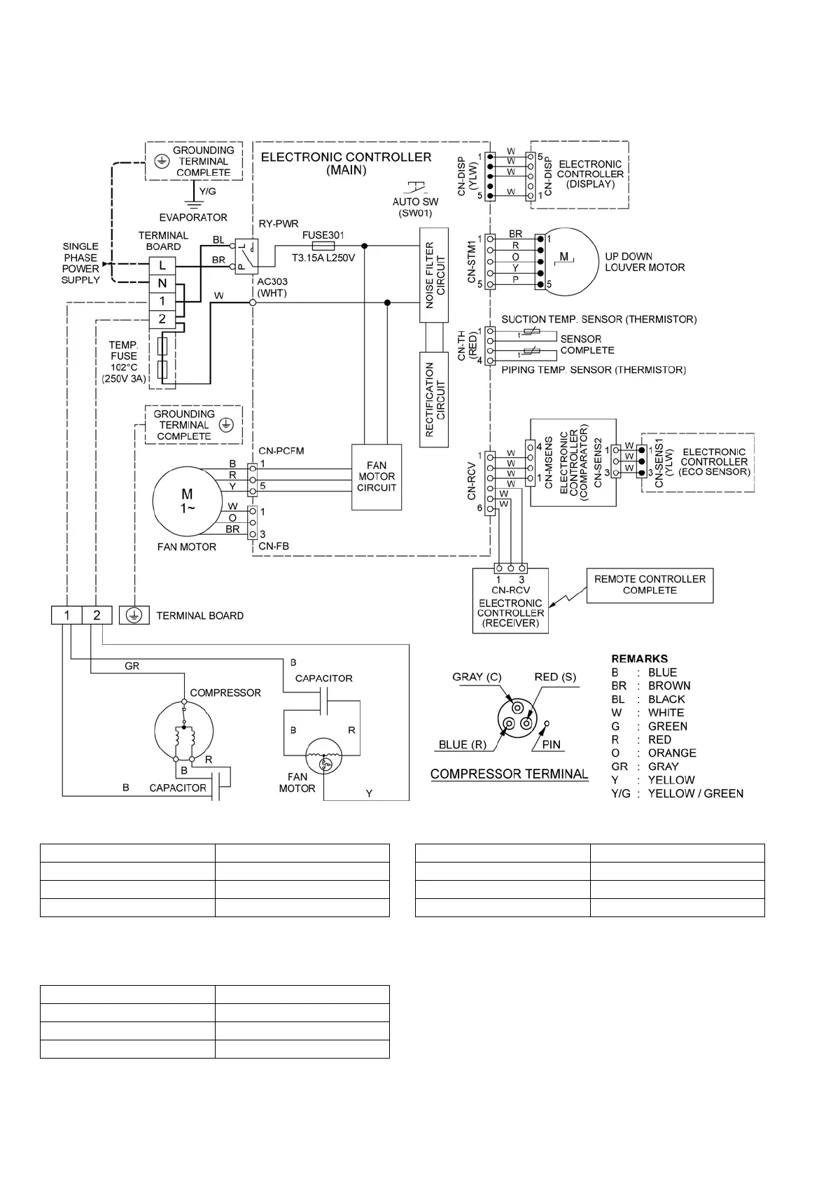
8 Wiring Connection Diagram
8.1. CS-PC12MKF CU-PC12MKF
Resistance of Indoor Fan Motor Windings
Note: Resistance at 25°C of ambient temperature.
Resistance of Compressor Windings
Note: Resistance at 20°C of ambient temperature.
Resistance of Outdoor Fan Motor Windings
Note: Resistance at 25°C of ambient temperature.
MODEL CS-PC12MKF
CONNECTION CWA921434
BLUE-YELLOW 351.3 Ω
YELLOW-RED 343.9 Ω
MODEL CU-PC12MKF
CONNECTION 2KS210D5AA06
C - R 2.279 Ω
C - S 3.526 Ω
MODEL CU-PC12MKF
CONNECTION CWA951676
BLUE-YELLOW 198 Ω
YELLOW-RED 293 Ω

Table of Contents

Other manuals for Panasonic CU-PC24MKF

Related product manuals