EasyManua.ls Logo

Panasonic CU-PC24MKF - Cs-Pc18 Mkf Cu-Pc18 Mkf

Panasonic CU-PC24MKF
87 pages
Print Icon
To Next Page IconTo Next Page
To Next Page IconTo Next Page
To Previous Page IconTo Previous Page
To Previous Page IconTo Previous Page
Loading...
19
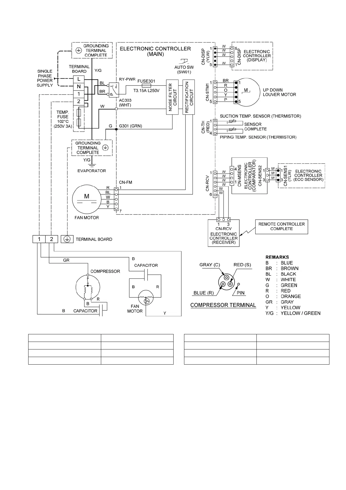
8.2. CS-PC18MKF CU-PC18MKF
Resistance of Outdoor Fan Motor Windings
Note: Resistance at 25°C of ambient temperature.
Resistance of Compressor Windings
Note: Resistance at 20°C of ambient temperature.
MODEL CU-PC18MKF
CONNECTION CWA951676
BLUE-YELLOW 198 Ω
YELLOW-RED 293 Ω
MODEL CU-PC18MKF
CONNECTION 2KS324D5AB06
C - R 1.642 Ω
C - S 4.316 Ω

Table of Contents

Other manuals for Panasonic CU-PC24MKF

Related product manuals