EasyManua.ls Logo

Panasonic CU-PS12NKH - Outdoor Unit Wiring Diagram

Panasonic CU-PS12NKH
123 pages
Print Icon
To Next Page IconTo Next Page
To Next Page IconTo Next Page
To Previous Page IconTo Previous Page
To Previous Page IconTo Previous Page
Loading...
26
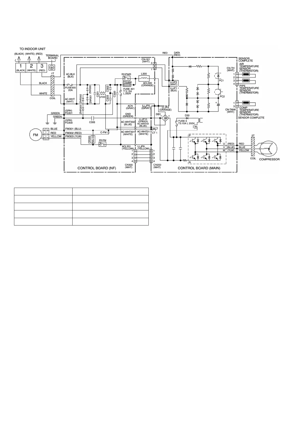
7.2 Outdoor Unit
7.2.1 CU-PS9NKH
Resistance of Compressor Windings
MODEL CU-PS9NKH
CONNECTION 5SS072XGA21
U-V 3.034
U-W 3.021
V-W 3.009

Table of Contents

Related product manuals