EasyManua.ls Logo

Panasonic CU-PS12NKH - Electronic Circuit Diagram; Indoor Unit Electronic Circuit

Panasonic CU-PS12NKH
123 pages
Print Icon
To Next Page IconTo Next Page
To Next Page IconTo Next Page
To Previous Page IconTo Previous Page
To Previous Page IconTo Previous Page
Loading...
30
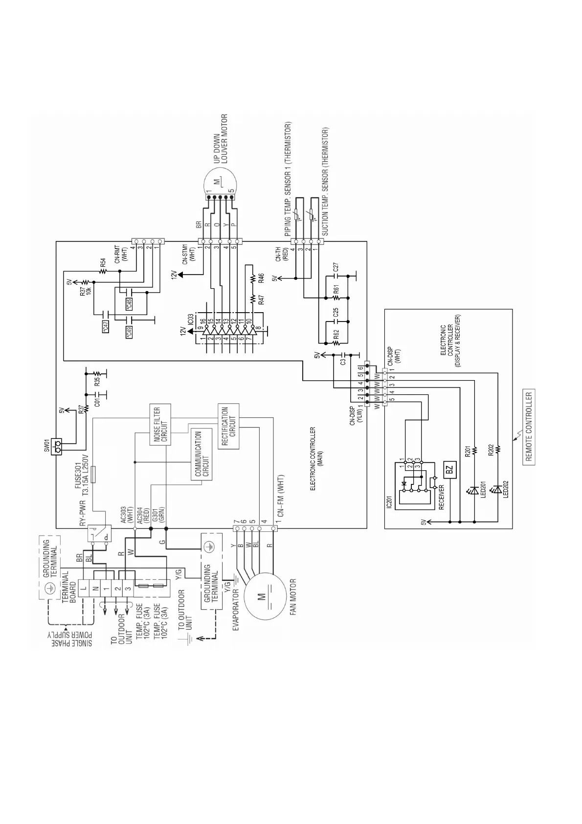
8. Electronic Circuit Diagram
8.1 Indoor Unit
8.1.1 CS-PS9NKH CS-PS18NKH CS-PS24NKH

Table of Contents

Related product manuals