EasyManua.ls Logo

Panasonic CU-PS12NKH - Page 28

Panasonic CU-PS12NKH
123 pages
Print Icon
To Next Page IconTo Next Page
To Next Page IconTo Next Page
To Previous Page IconTo Previous Page
To Previous Page IconTo Previous Page
Loading...
28
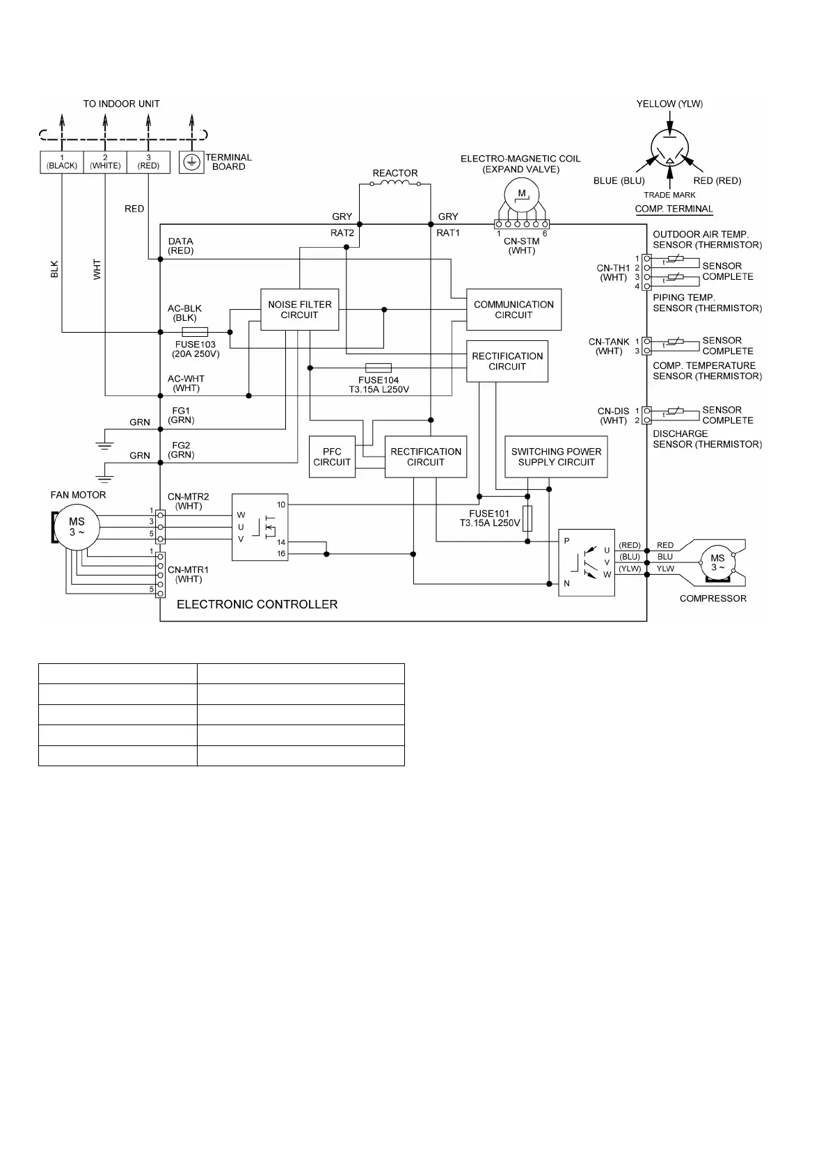
7.2.3 CU-PS18NKH
Resistance of Compressor Windings
MODEL CU-PS18NKH
CONNECTION 5RD132XDA21
U-V 1.152
U-W 1.152
V-W 1.152

Table of Contents

Related product manuals