EasyManua.ls Logo

Panasonic CU-PS12NKH - Page 33

Panasonic CU-PS12NKH
123 pages
Print Icon
To Next Page IconTo Next Page
To Next Page IconTo Next Page
To Previous Page IconTo Previous Page
To Previous Page IconTo Previous Page
Loading...
33
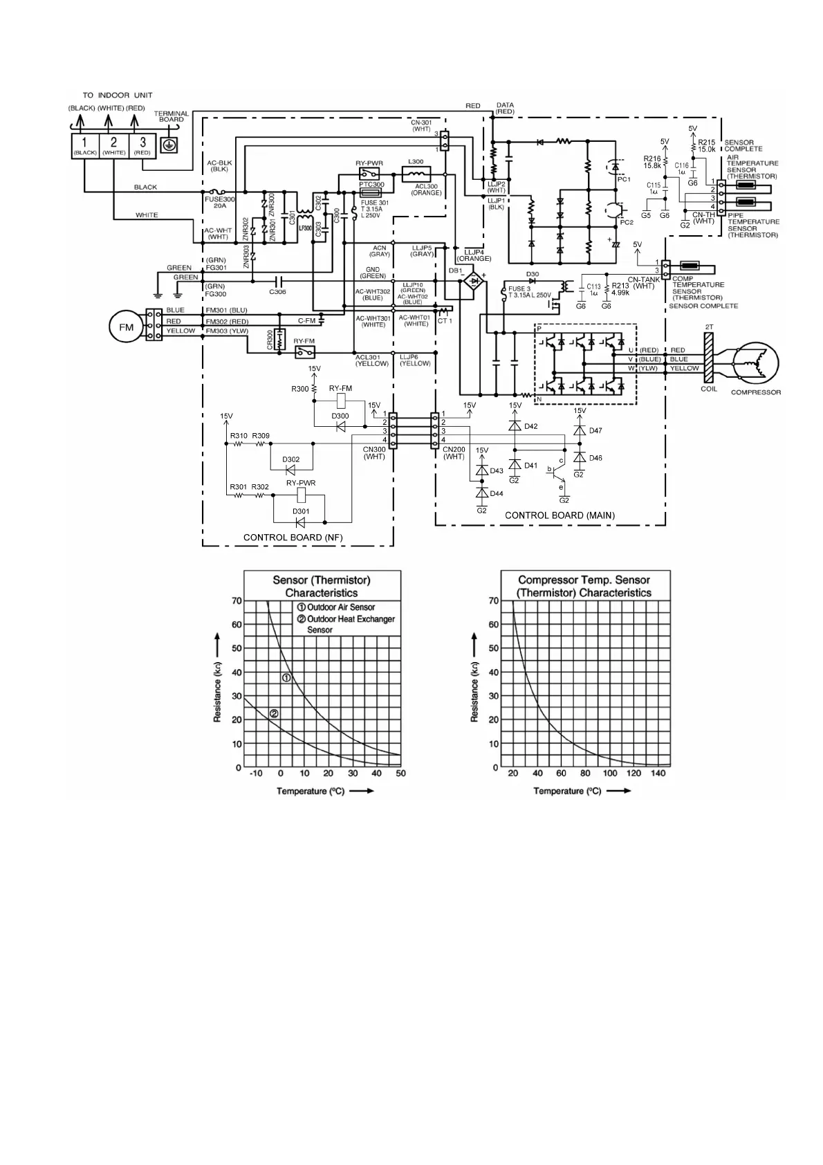
8.2.2 CU-PS12NKH

Table of Contents

Related product manuals