EasyManua.ls Logo

Panasonic CU-PS12PKV - Page 113

Panasonic CU-PS12PKV
116 pages
Print Icon
To Next Page IconTo Next Page
To Next Page IconTo Next Page
To Previous Page IconTo Previous Page
To Previous Page IconTo Previous Page
Loading...
113
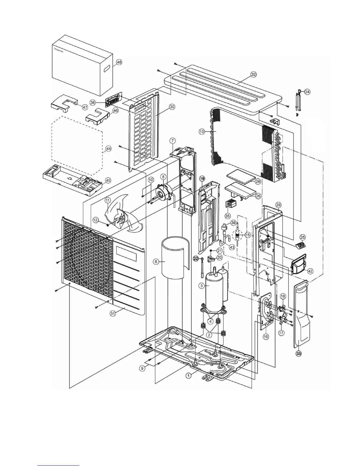
17.2.3 CU-PS18PKV
Note
The above exploded view is for the purpose of parts disassembly and replacement.
The non-numbered parts are not kept as standard service parts.

Table of Contents

Related product manuals