EasyManua.ls Logo

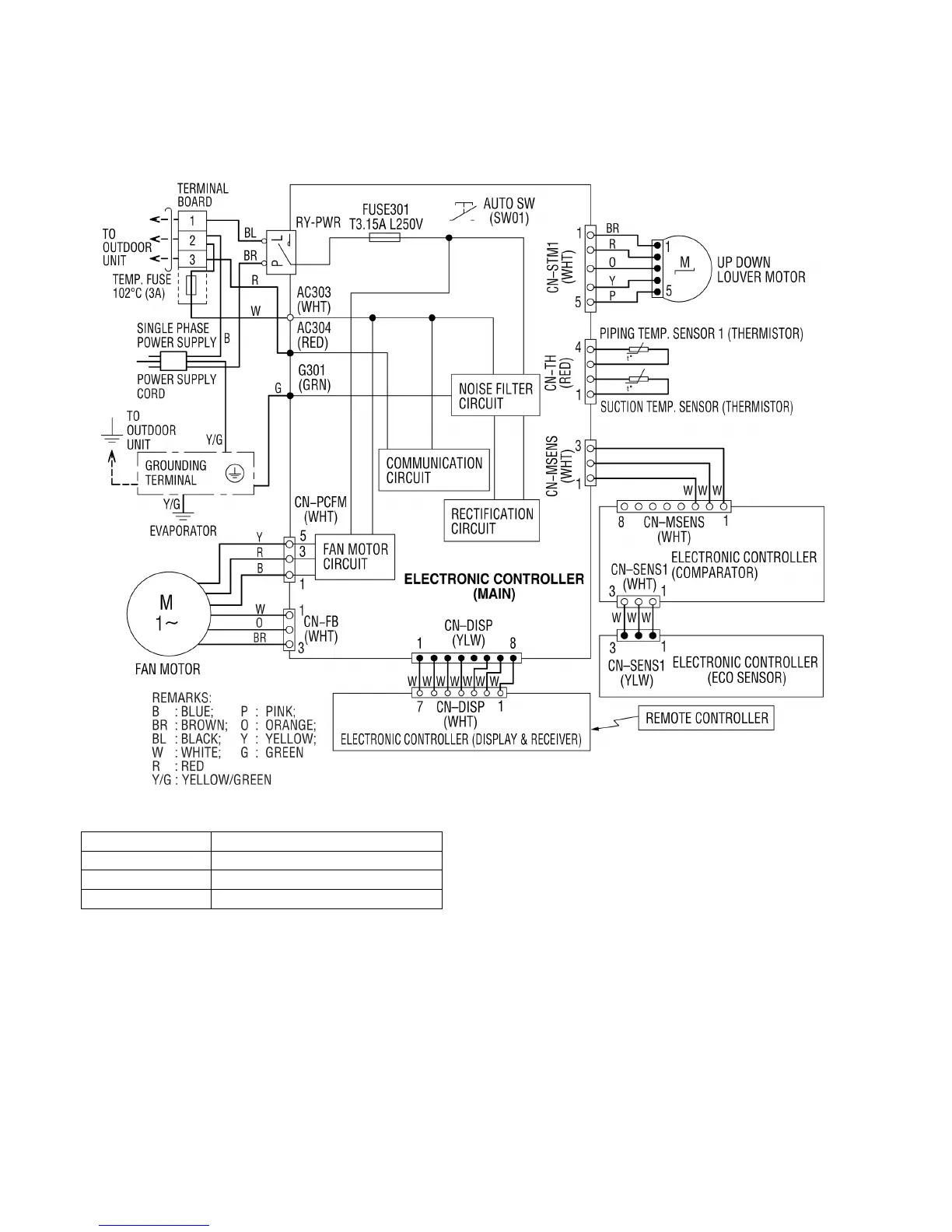
Panasonic CU-PS12PKV - Wiring Connection Diagram; Indoor Unit

Panasonic CU-PS12PKV
116 pages
Print Icon
To Next Page IconTo Next Page
To Next Page IconTo Next Page
To Previous Page IconTo Previous Page
To Previous Page IconTo Previous Page
Loading...
20
7. Wiring Connection Diagram
7.1 Indoor Unit
7.1.1 CS-PS9PKV CS-PS12PKV
Resistance of Fan Motor Windings
MODEL CS-PS9PKV / CS-PS12PKV
CONNECTION CWA921443
YELLOW-BLUE 382.0
RED-YELLOW 226.8

Table of Contents

Related product manuals