EasyManua.ls Logo

Panasonic CU-PS12PKV - Outdoor Unit

Panasonic CU-PS12PKV
116 pages
Print Icon
To Next Page IconTo Next Page
To Next Page IconTo Next Page
To Previous Page IconTo Previous Page
To Previous Page IconTo Previous Page
Loading...
22
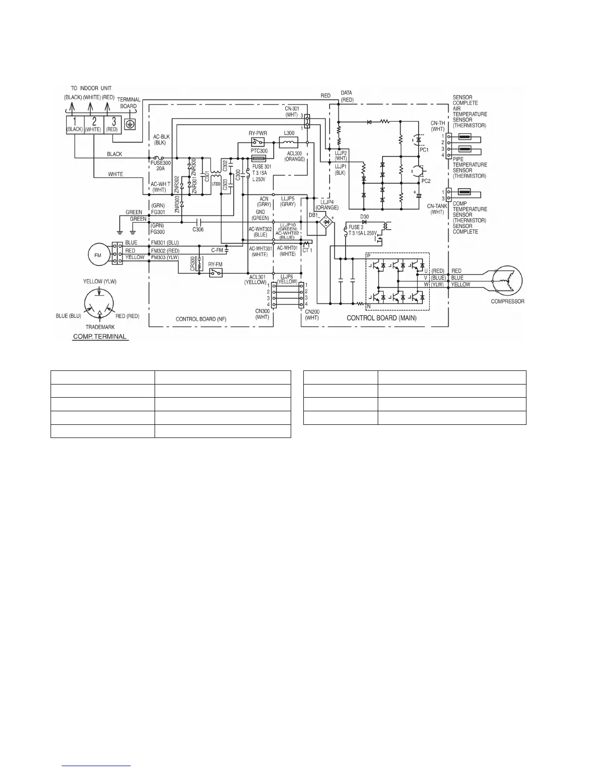
7.2 Outdoor Unit
7.2.1 CU-PS9PKV
Resistance of Compressor Windings
Resistance of Fan Motor Windings
MODEL CU-PS9PKV MODEL CU-PS9PKV
CONNECTION 5RS092XCE21 CONNECTION CWA951734
U-V 1.152 YELLOW-BLUE 338.0
U-W 1.152 RED-YELLOW 180.0
V-W 1.152

Table of Contents

Related product manuals