Home
Panasonic
Air Conditioner
CU-PS12PKV
Page 23
Panasonic CU-PS12PKV - Page 23
116 pages
Manual
Save Page as PDF
To Next Page
To Next Page
To Previous Page
To Previous Page
Loading...
23
7.2.2 CU-PS12PKV
Resistance of Compressor Windings
Resistance of Fan Motor Windings
MODEL CU-PS12PKV
MODEL
CU-PS12PKV
CONNECTION 5RS092XCD21
CONNECTION
CWA951466
U-V 1.152
Ω
YELLOW-BLUE
262.7
Ω
U-W 1.152
Ω
RED-YELLOW
271.0
Ω
V-W 1.152
Ω
22
24
Table of Contents
Main Page
Default Chapter
2
Table of Contents
2
1 Safety Precautions
3
2 Specification
5
3 Location of Controls and Components
9
Indoor Unit
9
Outdoor Unit
9
Remote Control
9
4 Dimensions
10
Indoor Unit
10
Outdoor Unit
12
5 Refrigeration Cycle Diagram
14
Cs-Ps9Pkv Cu-Ps9Pkv Cs-Ps12Pkv Cu-Ps12Pkv
14
Cs-Ps18Pkv Cu-Ps18Pkv Cs-Ps24Pkv Cu-Ps24Pkv
15
6 Block Diagram
16
Cs-Ps9Pkv Cu-Ps9Pkv
16
Cs-Ps12Pkv Cu-Ps12Pkv
17
Cs-Ps18Pkv Cu-Ps18Pkv
18
Cs-Ps24Pkv Cu-Ps24Pkv
19
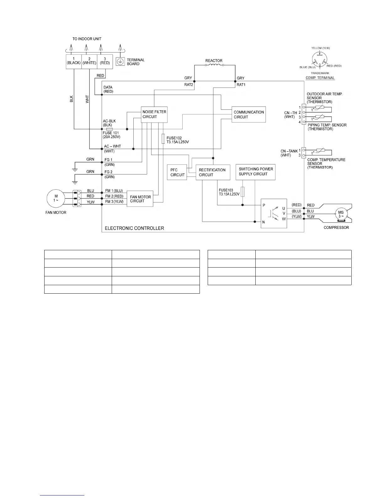
7 Wiring Connection Diagram
20
Indoor Unit
20
Outdoor Unit
22
8 Electronic Circuit Diagram
26
Indoor Unit
26
Outdoor Unit
28
9 Printed Circuit Board
32
Indoor Unit
32
Outdoor Unit
35
10 Installation Instruction
40
Select the Best Location
40
Indoor Unit
41
Connect the Cable to the Indoor Unit
43
Outdoor Unit
45
Evacuation of the Equipment
46
Connect the Cable to the Outdoor Unit
47
Piping Insulation
47
11 Operation Control
48
Basic Function
48
Indoor Fan Motor Operation
49
Outdoor Fan Motor Operation
49
Airflow Direction
50
Timer Control
50
Random Auto Restart Control
51
Indication Panel
51
Econavi & Auto Comfort
52
Operation
52
12 Protection Control
56
Restart Control (Time Delay Safety Control)
56
Seconds Forced Operation
56
Total Running Current Control
56
IPM (Power Transistor) Prevention Control
56
Low Pressure Prevention Control (Gas Leakage Detection)
57
Compressor Tank Temperature Rise Protection Control
57
Low Frequency Protection Control 1
57
Low Frequency Protection Control 2
57
Outdoor Air Temperature Control
57
Cooling Overload Control
58
Freeze Prevention Control
58
Freeze Prevention Control 2
58
Dew Prevention Control
58
Odor Cut Control
58
13 Servicing Mode
59
Auto Off/On Button
59
Remote Control Button
60
14 Troubleshooting Guide
61
Refrigeration Cycle System
61
Breakdown Self Diagnosis Function
63
Error Code Table
64
Troubleshooting Flowchart
65
Troubleshooting
86
15 Disassembly and Assembly Instructions
87
Cs-Ps9/12Pkv
87
To Remove Cross Flow Fan and Indoor Fan Motor
89
Cs-Ps18/24Pkv
91
16 Technical Data
95
Operation Characteristics
95
17 Exploded View and Replacement Parts List
103
Indoor Unit
103
Outdoor Unit
109
Related product manuals
Panasonic CU-PS12NKH
123 pages
Panasonic CU-PS36RKV
24 pages
Panasonic CU-PS24NKH
123 pages
Panasonic CU-PC9QKH
12 pages
Panasonic CU-PW9DKE
64 pages
Panasonic CU-PC12GKV
47 pages
Panasonic CU-PW12CKE
10 pages
Panasonic CU-PE12CKE
11 pages
Panasonic CU-PC12QKH
12 pages
Panasonic CU-PC12DKD
63 pages
Panasonic CU-PW18DKE
76 pages
Panasonic CU-PA12DKD
63 pages