EasyManua.ls Logo

Panasonic CU-PS12PKV - Page 24

Panasonic CU-PS12PKV
116 pages
Print Icon
To Next Page IconTo Next Page
To Next Page IconTo Next Page
To Previous Page IconTo Previous Page
To Previous Page IconTo Previous Page
Loading...
24
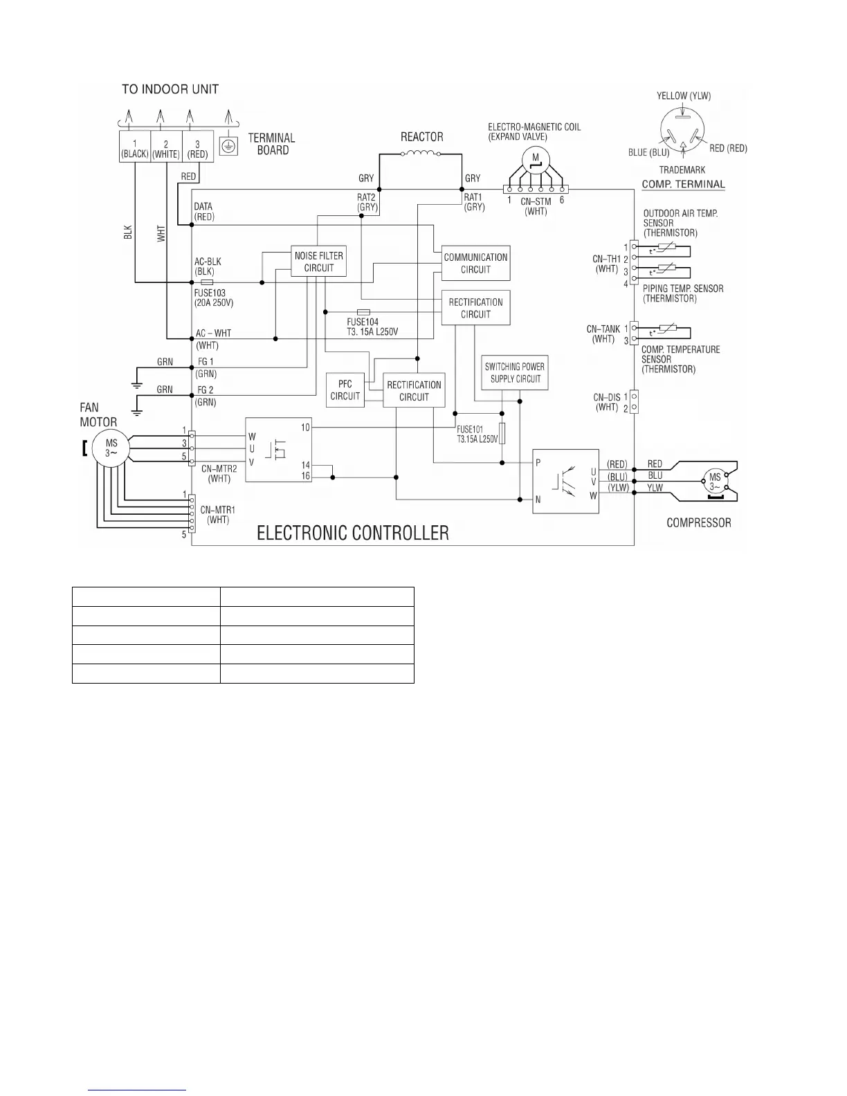
7.2.3 CU-PS18PKV
Resistance of Compressor Windings
MODEL CU-PS18PKV
CONNECTION 5RD132XDA21
U-V 1.152
U-W 1.152
V-W 1.152

Table of Contents

Related product manuals