EasyManua.ls Logo

Panasonic CU-PS12PKV - Page 30

Panasonic CU-PS12PKV
116 pages
Print Icon
To Next Page IconTo Next Page
To Next Page IconTo Next Page
To Previous Page IconTo Previous Page
To Previous Page IconTo Previous Page
Loading...
30
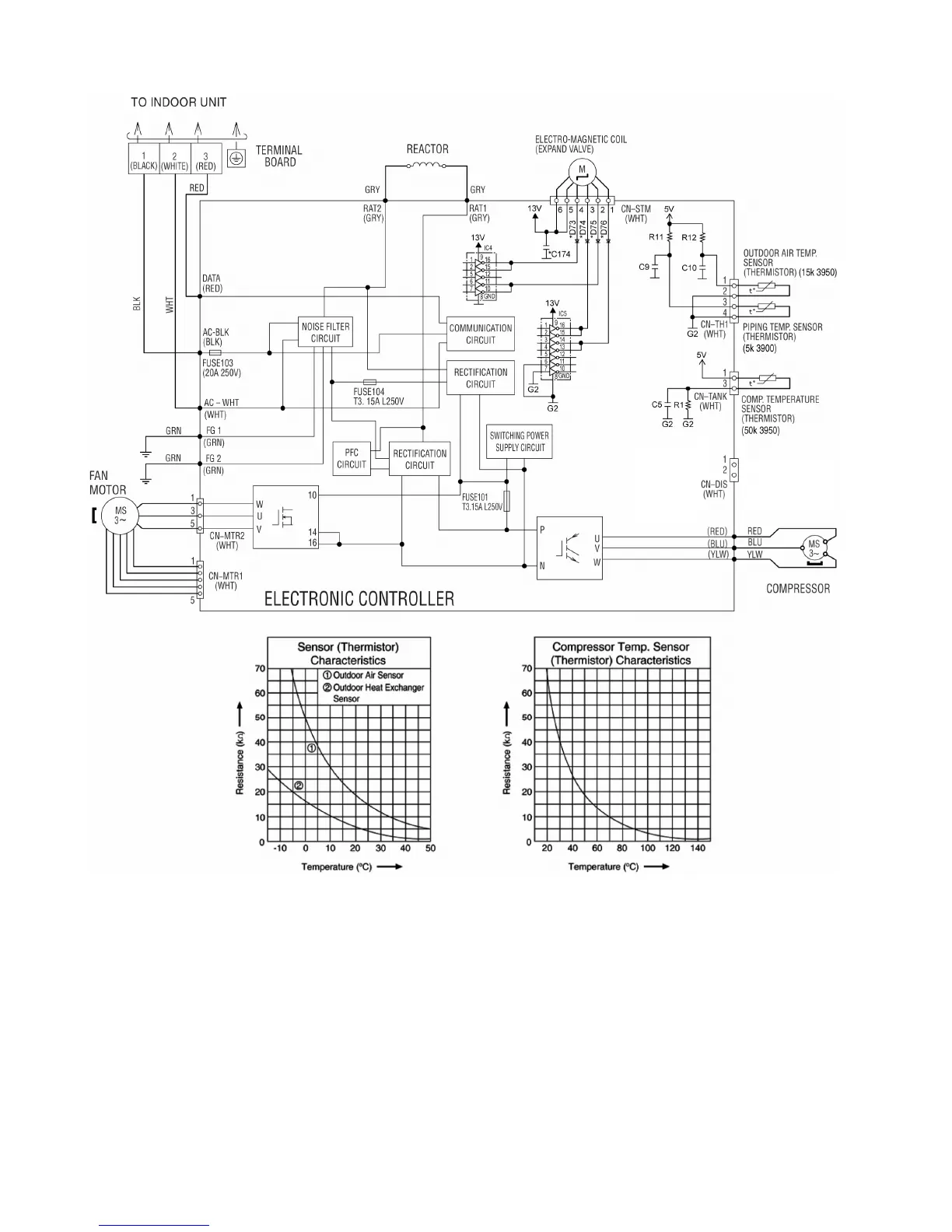
8.2.3 CU-PS18PKV

Table of Contents

Related product manuals