EasyManua.ls Logo

Panasonic CU-PW18DKE - Wiring Diagram

Panasonic CU-PW18DKE
76 pages
Print Icon
To Next Page IconTo Next Page
To Next Page IconTo Next Page
To Previous Page IconTo Previous Page
To Previous Page IconTo Previous Page
Loading...
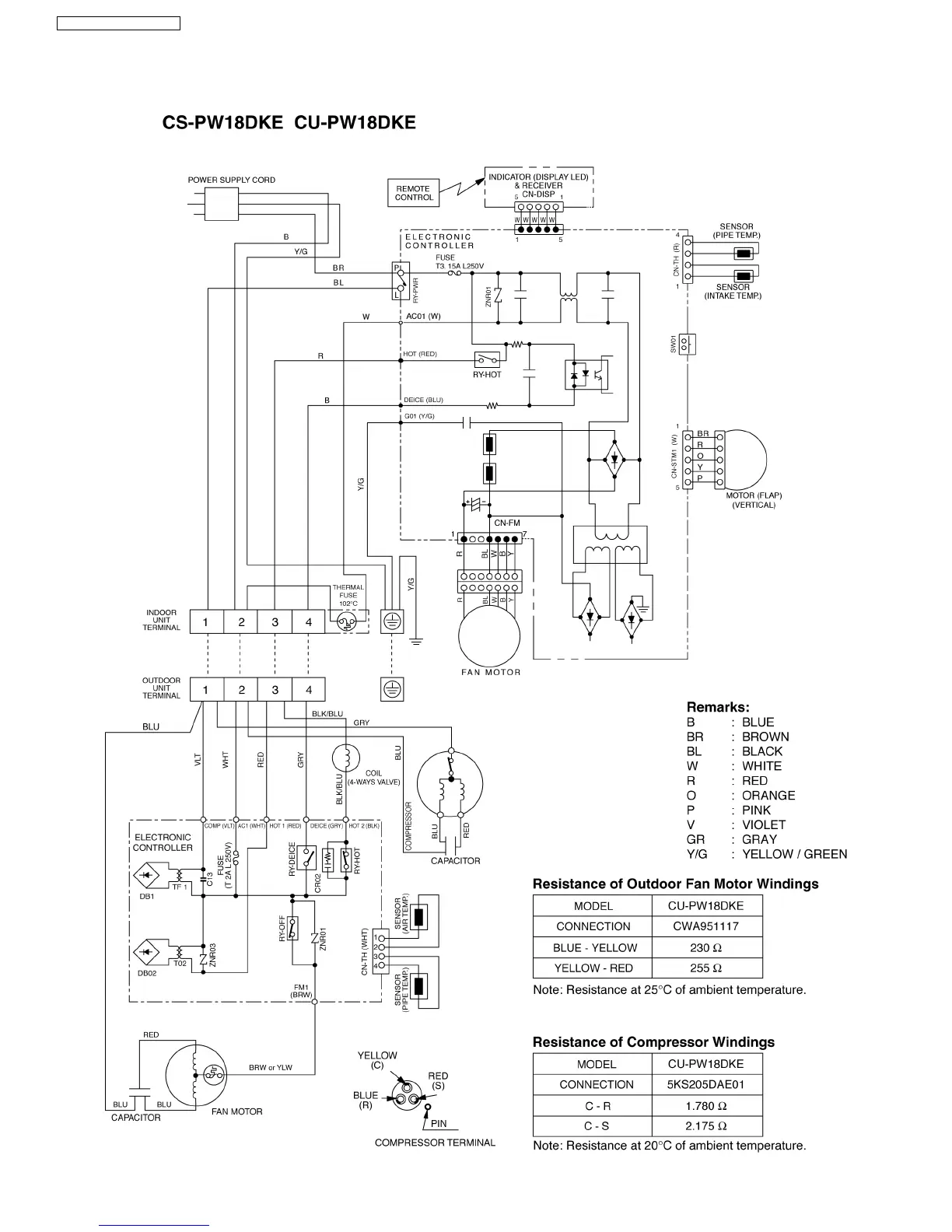
7 Wiring Diagram
CS-PW18DKE CU-PW18DKE
12

Table of Contents

Related product manuals