EasyManua.ls Logo

Panasonic CU-PW18DKE - Page 68

Panasonic CU-PW18DKE
76 pages
Print Icon
To Next Page IconTo Next Page
To Next Page IconTo Next Page
To Previous Page IconTo Previous Page
To Previous Page IconTo Previous Page
Loading...
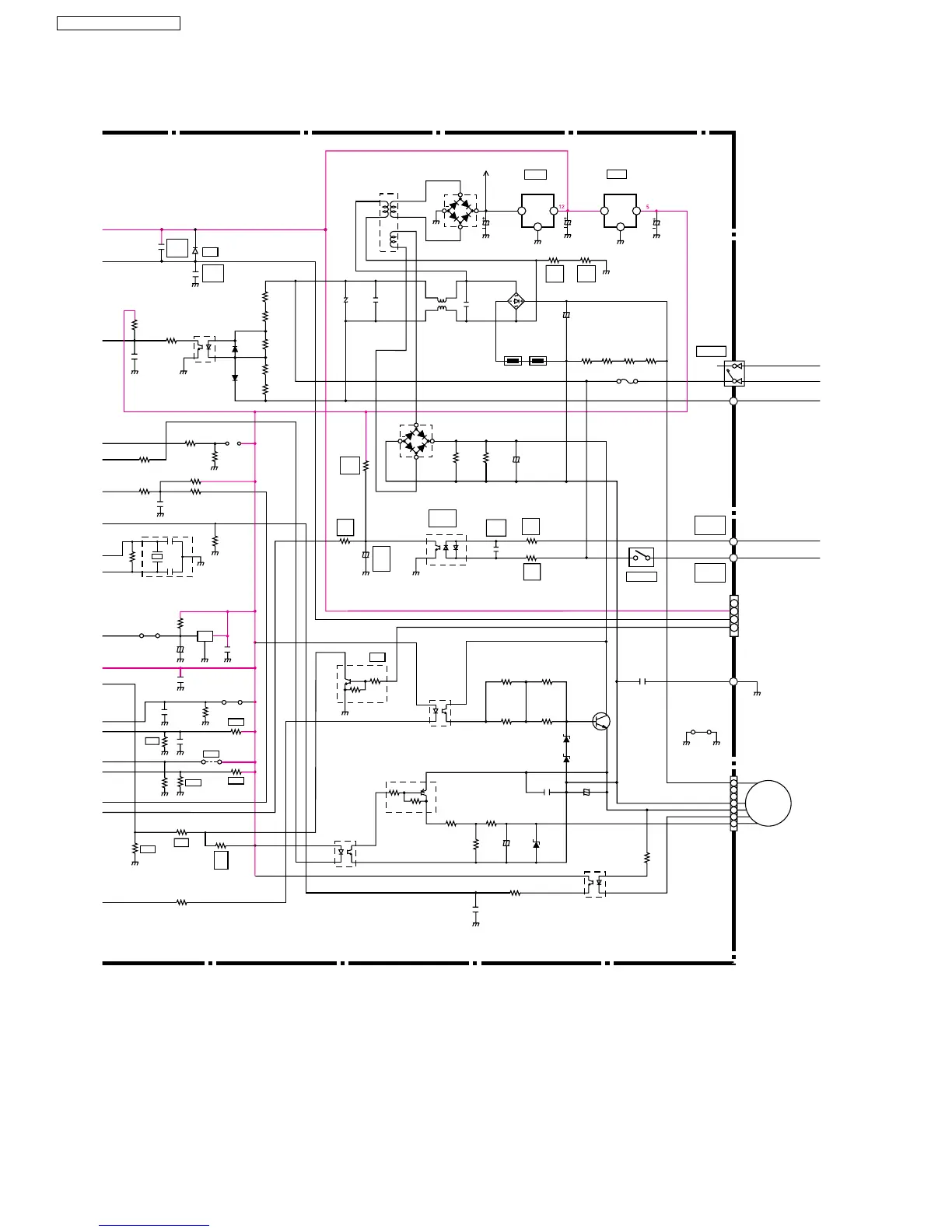
SCHEMATIC DIAGRAM 3/4
TEST
R54 1k
R48
10k
C10
0.1µ
R32
150k
4.096 MHz
(47pF X 2)
+
R49
100k
O
G
I
C21
2.2µ
50V
C12
0.01µ
IC04
C23
0.1µ
C42
0.22µ
C45
0.22µ
D02
R08
5.1k
R47
1k
R01
100
C18
0.022µ
R07 20k
R42
20k
R53
1k
D01
C24
0.01µ
R37
10k
R38
JX1
C15
0.01µ
R43
R36
10k
C31
0.01µ
R31
R56
R03
100
R02
20k
X01
C25
0.01µ
Q03
Q05
22k
22k
CN-ION
G01
GND
4
3
2
1
1
JP3
JP4
R61
10k
R62
1k
R65
1k
R79
160
1/4W
CN-FM
7
6
5
4
3
2
1
FAN MOTOR
C06
1000p
R29
1k
R77
4.75k
R76
10k
ZD01
7.5V
ZD02
8.2V
R111
6.2k
1/4W
R112
6.2k
1/4W
R113
6.2k
1/4W
R114
6.2k
1/4W
PC04
41
23
R75
7.5k
PC06
feedback
1
4
32
R78
5.62k
+
C46
10µ
50V
C11
0.01µ
25V
ZD03
8.5V
PC05
Q04
1
4
32
c
b
e
+
C48
0.01µ
PC03
41
23
D03
R72
3.9k
R73
330k
R74
330k
R71
100k
R70
100k
Z01
L01
DB03
TH01 TH02
+
C47
0.1µ
450V
C20
3300µ
35V
C14
410µ
25V
C26
100µ
16V
R99
82k
1/4W
R98
82k
1/4W
R97
82k
1/4W
R96
82k
1/4W
IC09
G
I
5V12V
I
G
IC08
DB02
NR
T01
5
8
13
2
REGULATOR
REGULATOR
+
~
~
OO
R66
22k
R67
22k
DB01
+
~
~
R81
22k
1/4W
R80
22k
1/4W
+
C17
470µ
6.3V
RY-PWR
AC01
FUSE
T 3.15A L 250V
WHT
BLK
BRW
RED
BLU
+
R52
1.82k
C09
10µ
50V
PC01
TLP620
41
23
C16
0.01µ
R51
47k
R50
47k
RY-HOT
HOT
(RED)
DEICE
(BLU)
C51
100p
68
CS-PW18DKE CU-PW18DKE

Table of Contents

Related product manuals