EasyManua.ls Logo

Panasonic CU-S18PKH - Page 47

Panasonic CU-S18PKH
187 pages
Print Icon
To Next Page IconTo Next Page
To Next Page IconTo Next Page
To Previous Page IconTo Previous Page
To Previous Page IconTo Previous Page
Loading...
47
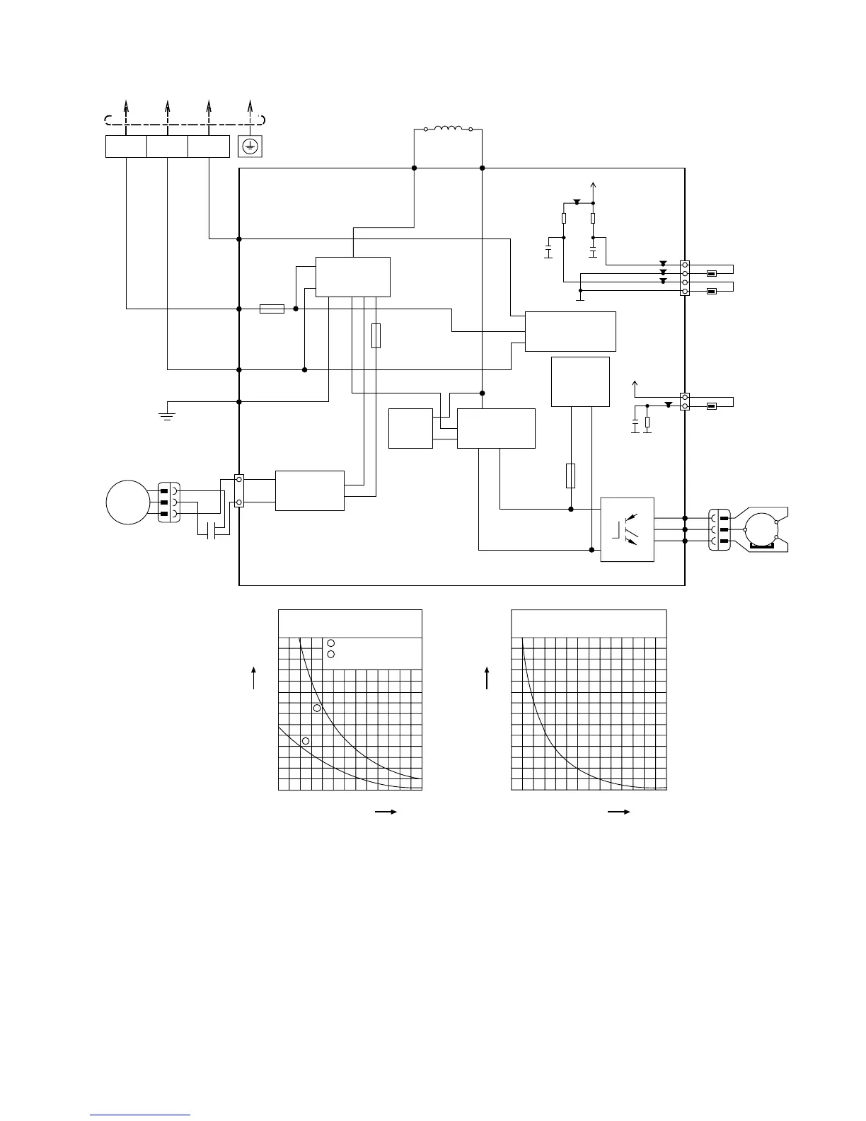
8.2.4 CU-S24PK
5
1
TERMINAL
BOARD
TO INDOOR UNIT
AC-WHT
(WHT)
CN-ACFM
(WHT)
FG01
(GRN)
GRN
BLK
WHT
AC-BLK
(BLK)
COM3
(RED)
RED
GRY
L2-1
GRY
L2-0
REACTOR
(RED)
FUSE1
T3.15A L250V
(BLU)
(YLW)
U
V
W
P
N
RECTIFICATION
CIRCUIT
FUSE2
T3.15A L250V
FAN MOTOR
CIRCUIT
FUSE3
(20A 250V)
3
(RED)
2
(WHITE)
1
(BLACK)
NOISE FILTER
CIRCUIT
COMMUNICATION
CIRCUIT
PFC
CIRCUIT
SWITCHING
POWER
SUPPLY
CIRCUIT
COMPRESSOR
RED
BLU
YLW
MS
3 ~
Sensor (Thermistor)
Characteristics
70
60
50
40
30
20
10
0
-10 0 10
Temperature (
o
C)
Resistance (k)
20 30 40 50
1
2
1
2
Outdoor Air Sensor
Outdoor Heat Exchanger
Sensor
Compressor Temp. Sensor
(Thermistor) Characteristics
70
60
50
40
30
20
10
0
20 40 60
Temperature (
o
C)
Resistance (k)
80 100 120 140
BLU
YLW
RED
FAN MOTOR
M
1~
BLU
CAPACITOR
COMP. TEMP. SENSOR
(THERMISTOR)
(50k 3950)
1
3
R410
4.99k
C49
10V
102
5V
90
CN-TH1
OUTDOOR AIR TEMP.
SENSOR (THERMISTOR
)
(15k 3950)
PIPE TEMP. SENSOR
(THERMISTOR)
(4.96k 3800)
1
2
3
4
R100
15.0k
R101
15.8k
C45
6.3V
C46
6.3V
98
97
99
CN-TANK
5V

Table of Contents

Related product manuals