EasyManua.ls Logo

Panasonic CU-S18PKH - ECONAVI and AUTO COMFORT Demo Mode

Panasonic CU-S18PKH
187 pages
Print Icon
To Next Page IconTo Next Page
To Next Page IconTo Next Page
To Previous Page IconTo Previous Page
To Previous Page IconTo Previous Page
Loading...
88
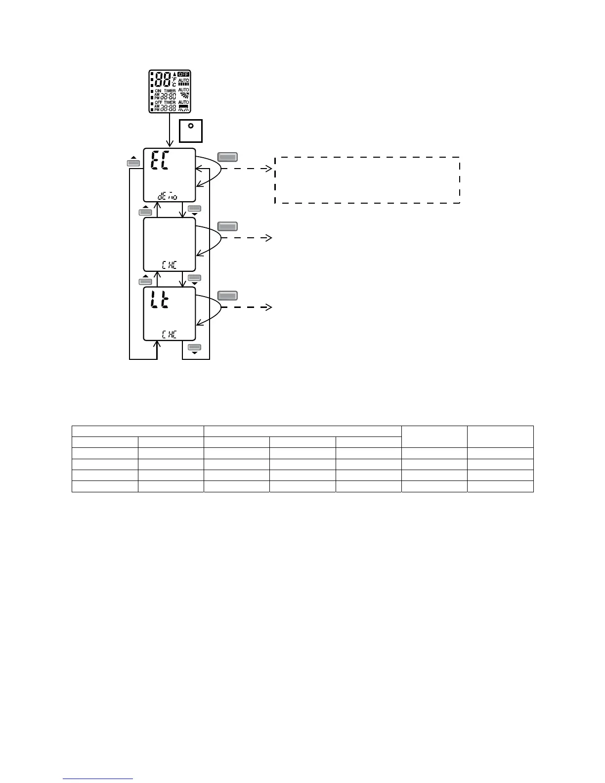
12.14.1.10 ECONAVI and AUTO COMFORT Demo Mode
To enable ECO DEMO mode:
SET
SET
Transmit ECO demo code
and after 2 seconds return to normal
mode.
Press continously for 15s
SET
Transmit check code
and after 2 seconds return to normal
mode.
SET
Transmit sunlight sensor check code
and after 2 seconds return to normal
mode.
Remote control normal mode
To disable ECO Demo MODE:
Transmit ECO Demo signal again.
Operation details
Infrared Sensor Human Activity Indicator
Sensor 1 Sensor 2 Left Center Right
Vane Position Fan Speed
1 0 5 HI
1 1 Auto Swing HI
0 1 1 HI
0 0 Auto Swing LO
The target area will maintain for 5 seconds before changeover to next detection.
If no activity detection, the last action will maintain for 30 seconds before changeover to human absence status.

Table of Contents

Related product manuals