EasyManua.ls Logo

Panasonic CU-S24PKH - 7 Wiring Connection Diagram; Indoor Unit

Panasonic CU-S24PKH
187 pages
Print Icon
To Next Page IconTo Next Page
To Next Page IconTo Next Page
To Previous Page IconTo Previous Page
To Previous Page IconTo Previous Page
Loading...
35
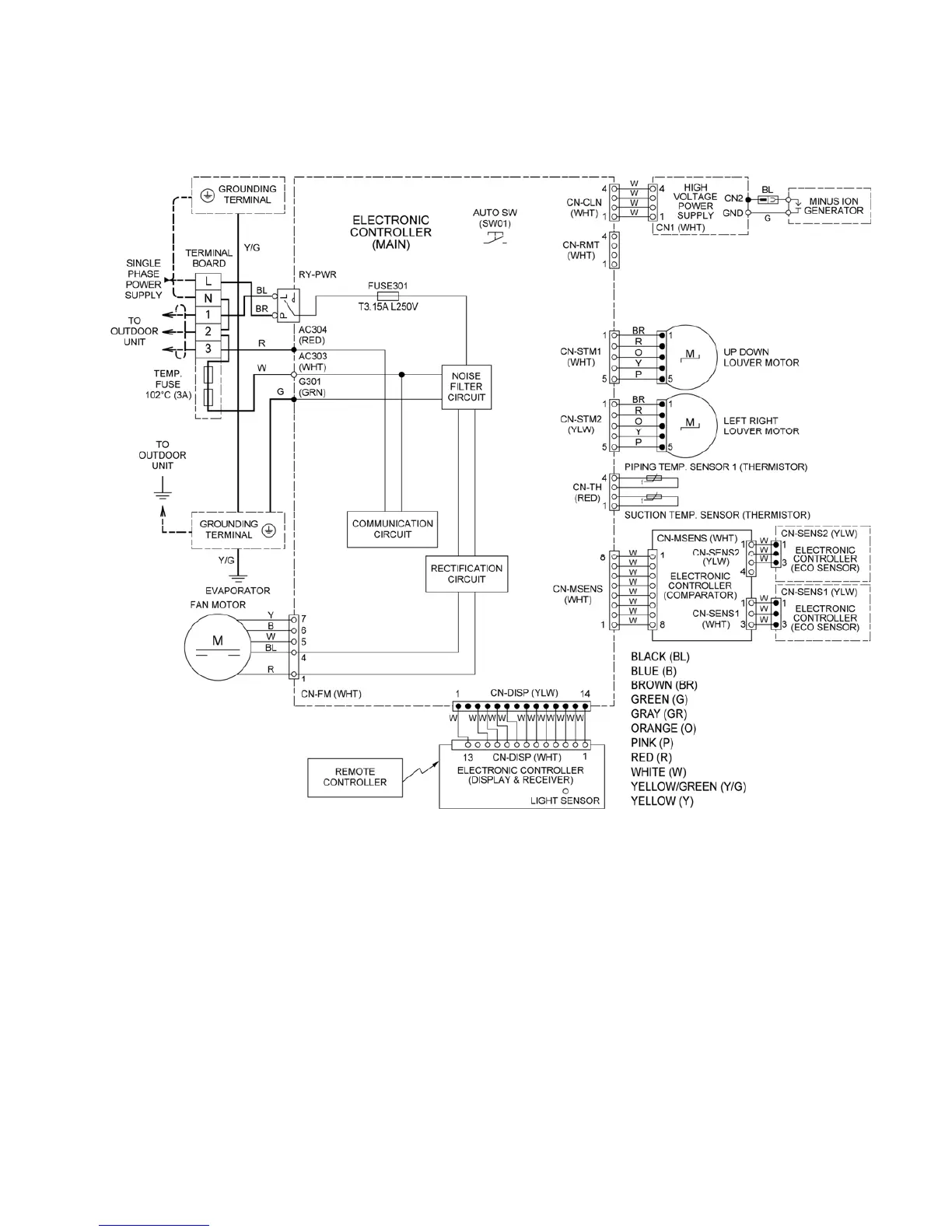
7. Wiring Connection Diagram
7.1 Indoor Unit
7.1.1 CS-S10PKH (Malaysia only) CS-S15PK CS-S18PK CS-S24PK

Table of Contents

Related product manuals