EasyManua.ls Logo

Panasonic CU-S24PKH - Page 39

Panasonic CU-S24PKH
187 pages
Print Icon
To Next Page IconTo Next Page
To Next Page IconTo Next Page
To Previous Page IconTo Previous Page
To Previous Page IconTo Previous Page
Loading...
39
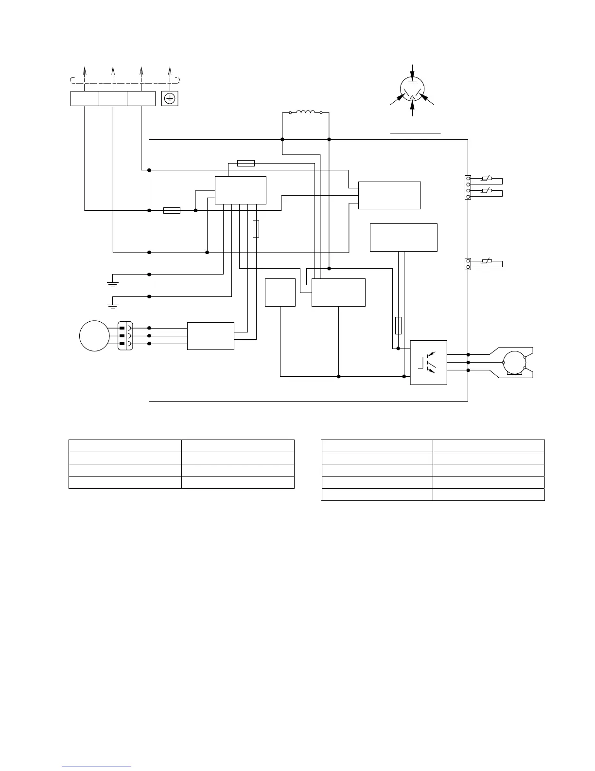
7.2.3 CU-S15PK
TERMINAL
BOARD
TO INDOOR UNIT
COMPRESSOR
FAN MOTOR
OUTDOOR AIR TEMP.
SENSOR (THERMISTOR)
PIPING TEMP.
SENSOR (THERMISTOR)
1
2
3
4
CN-TH
(WHT)
t
0
t
0
AC-WHT
(WHT)
FG1
(GRN)
FG2
(GRN)
GRN
BLK
WHT
GRN
AC-BLK
(BLK)
DATA
(RED)
RED
GRY
(GRY) (GRY)
RAT2
GRY
RAT1
REACTOR
RED
BLU
YLW
(RED)
FUSE103
T3.15A L250V
(BLU)
(YLW)
U
V
W
COMP. TEMPERATURE
SENSOR (THERMISTOR)
1
3
CN-TANK
(WHT)
t
0
MS
3~
P
N
SWITCHING POWER
SUPPLY CIRCUIT
FUSE102
T3.15A L250V
BLU
RED
YLW
FM1 (BLU)
FM2 (RED)
FM3 (YLW)
M
1~
FAN MOTOR
CIRCUIT
FUSE101
(20A 250V)
RED (RED)
TRADE MARK
BLUE (BLU)
YELLOW (YLW)
COMP. TERMINAL
3
(RED)
2
(WHITE)
1
(BLACK)
NOISE FILTER
CIRCUIT
COMMUNICATION
CIRCUIT
PFC
CIRCUIT
ELECTRONIC CONTROLLER
FUSE104
(15A 250V)
RECTIFICATION
CIRCUIT
Resistance of Outdoor Fan Motor Windings
Resistance of Compressor Windings
MODEL CU-S15PK MODEL CU-S15PK
CONNECTION CWA951699 CONNECTION 5RS102XBC21
BLUE-YELLOW 264 U-V 0.858
BLUE-RED 250 U-W 0.858
Note: Resistance at 20°C of ambient temperature. V-W 0.858
Note: Resistance at 20°C of ambient temperature.

Table of Contents

Related product manuals