EasyManua.ls Logo

Panasonic CU-SA12CKP5 - Gas Charging

Panasonic CU-SA12CKP5
62 pages
Print Icon
To Next Page IconTo Next Page
To Next Page IconTo Next Page
To Previous Page IconTo Previous Page
To Previous Page IconTo Previous Page
Loading...
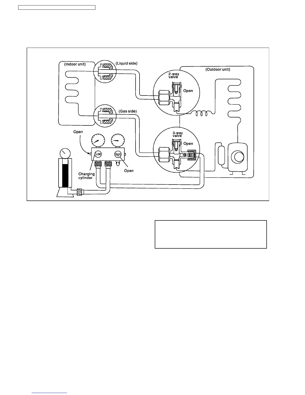
1. Connect the charge hose to the charging cylinder
Connect the charge hose which was disconnected from
the vacuum pump to the valve at the bottom of the
cylinder.
If you are using a gas cylinder also use a scale and
reverse the cylinder so that the system can be charged
with liquid.
2. Purge the air from the charge hose
Open the valve at the bottom of the cylinder and use a
screwdriver to press the check valve on the charge set
to purge the air. (Be careful of the liquid refrigerant.)
The procedure is the same if using a gas cylinder.
3. Open the valve (low side) on the charge set and charge the
system with liquid refrigerant.
If the system cannot be charged with the specified
amount of refrigerant, it can be charge with a little at a
time (approximately 150g each time) while operating the
air conditioner in the cooling cycle.
However, one time is not sufficient, wait approximately
1 minute and then repeat the procedure. (Pumping
down pin)
This is different from previous procedures.
Because you are charging with liquid refrigerant from the gas
side, absolutely do not attempt to charge with large amounts of
liquid refrigerant while operating the air conditioner.
4. Immediately disconnect the charge hose from the 3-way
valve´s service port.
Stopping part-way will allow the refrigerant to be
discharged.
If the system has been charged with liquid refrigerant
while operating the air conditioner, turn off the air
conditioner before disconnecting the hose.
5. Mount the valve stem nuts and the service port.
Use a torque wrench to tighten the service port cap to a
torque of 1.8kg. m (18N.m).
Be sure to check for gas leakage.
9.3.1. Gas charging
(After evacuation)
Procedure
46
CS-SA9CKP CU-SA9CKP5 / CS-SA12CKP CU-SA12CKP5

Related product manuals